lemon-mirror:
Home >> Volkswagen >> 1982 >> Vanagon F4-1970cc 2.0L >> Repair and Diagnosis >> Powertrain Management >> Computers and Control Systems >> Testing and Inspection >> System Component Layout

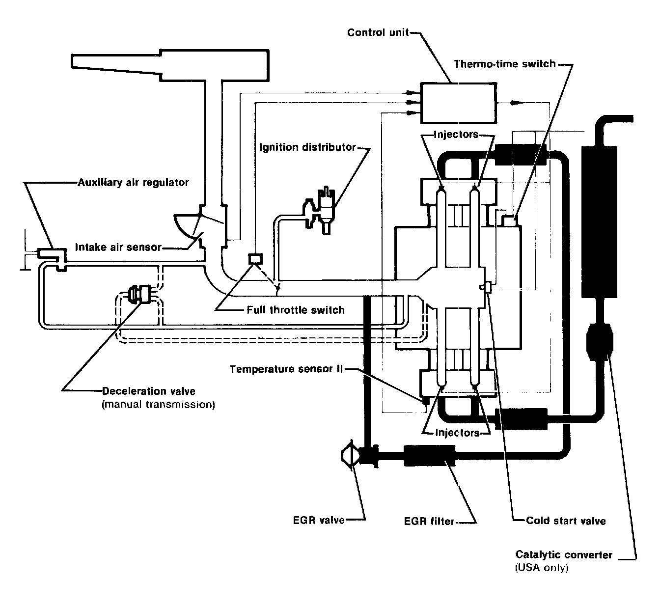
System Component Layout

Engine Mounted Components:



Canada And USA Except California:



California Only: