lemon-mirror:
Home >> UD >> 2007 >> 1300 L4-4.7L DSL Turbo >> Repair and Diagnosis >> Diagrams >> Connector Views >> Engine Control Module

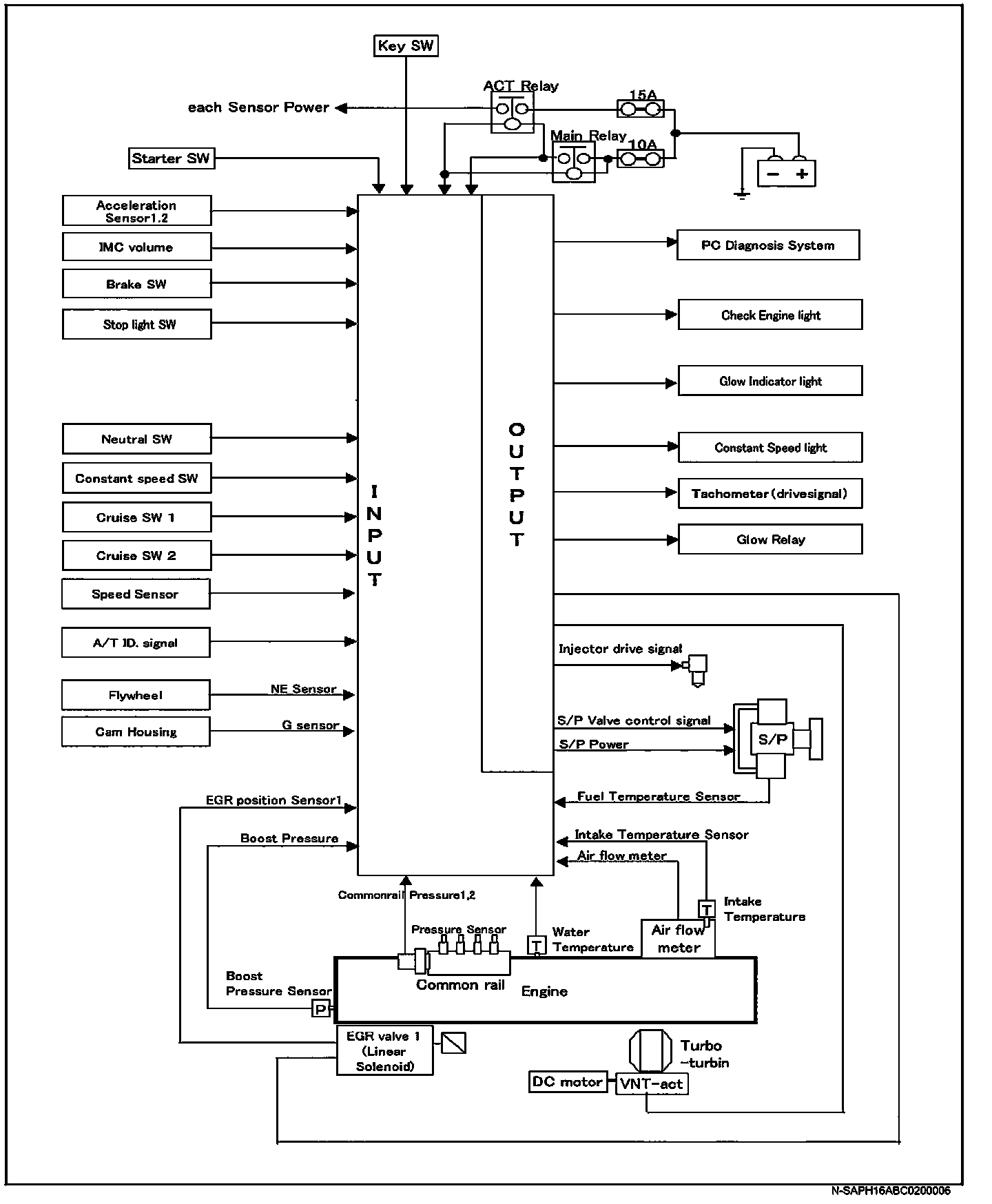
Engine Control Module