lemon-mirror:
Home >> Toyota >> 2012 >> Matrix FWD L4-1.8L (2ZR-FE) >> Repair and Diagnosis >> Powertrain Management >> Computers and Control Systems >> Relays and Modules - Computers and Control Systems >> Body Control Module >> Locations

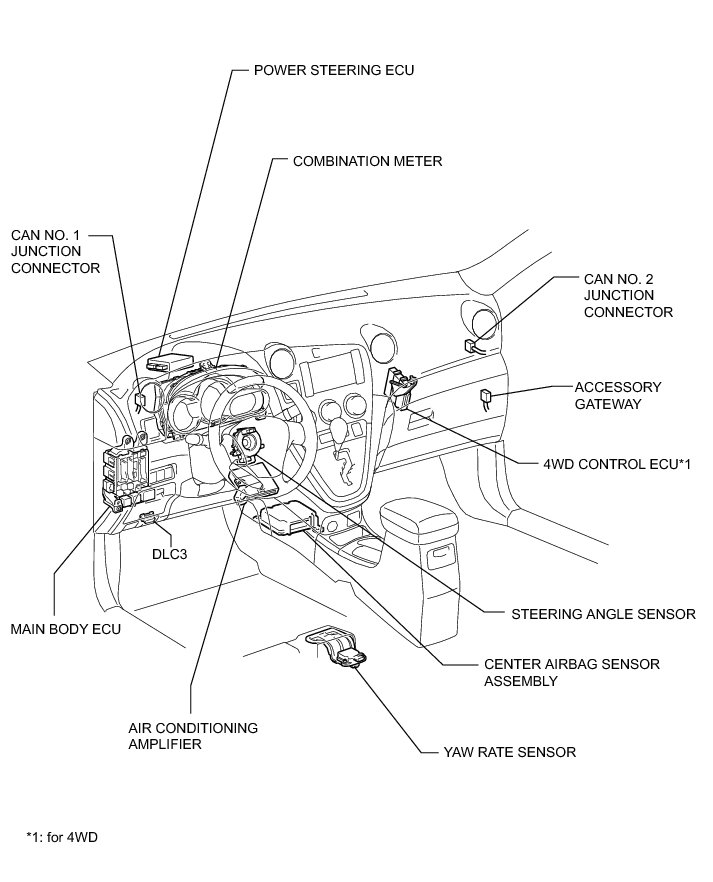
Body Control Module: Locations





NETWORKING: CAN COMMUNICATION SYSTEM: PARTS LOCATION









Instrument Panel: