lemon-mirror:
Home >> Toyota >> 2011 >> Matrix FWD L4-1.8L (2ZR-FE) >> Repair and Diagnosis >> Powertrain Management >> Computers and Control Systems >> Engine Temperature Sensor >> Service and Repair >> Components

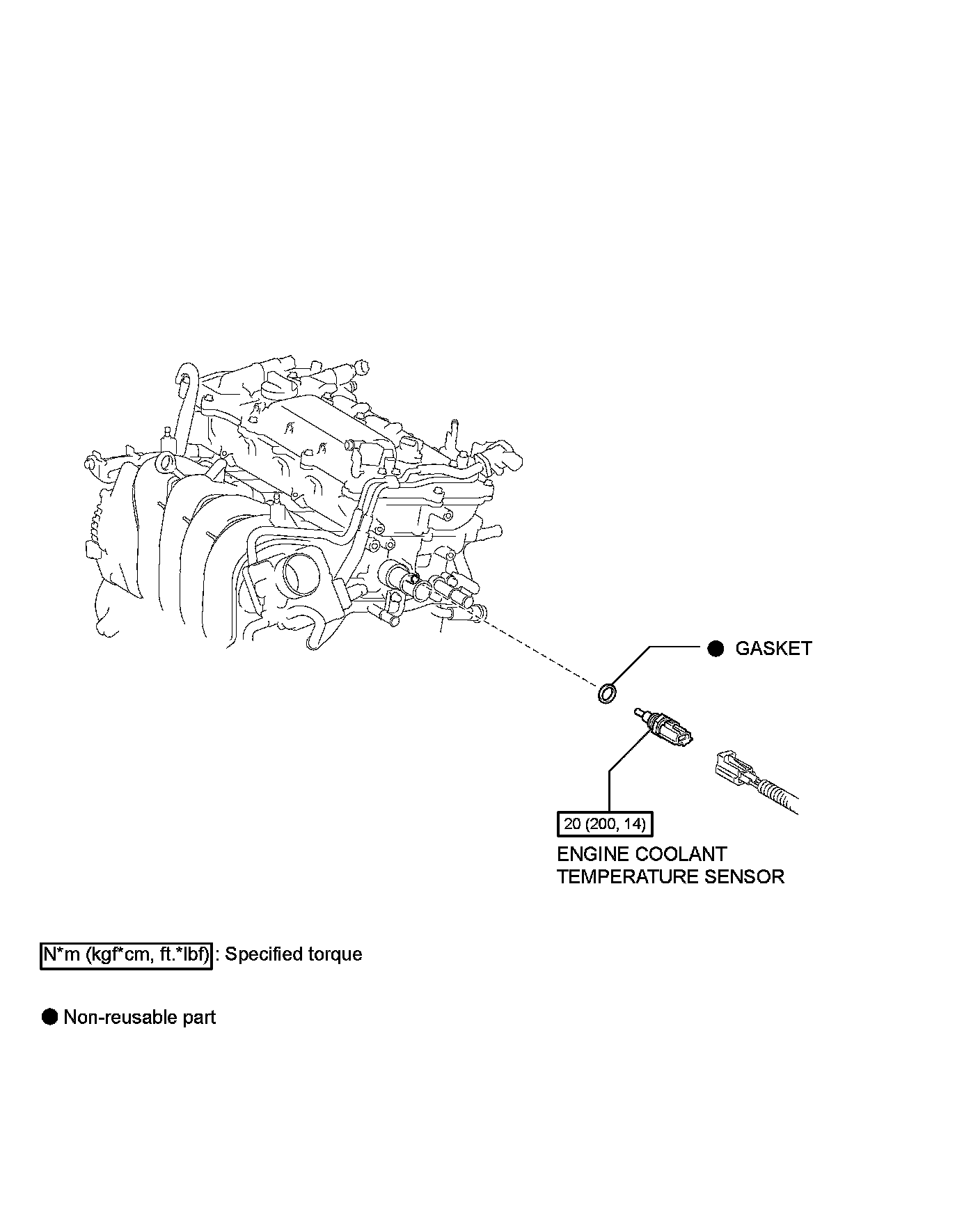
Components





2ZR-FE ENGINE CONTROL: ENGINE COOLANT TEMPERATURE SENSOR: COMPONENTS