lemon-mirror:
Home >> Toyota >> 2011 >> Matrix FWD L4-1.8L (2ZR-FE) >> Repair and Diagnosis >> Maintenance >> Alignment >> Service and Repair >> Front Wheel Alignment

Front Wheel Alignment





ALIGNMENT / HANDLING DIAGNOSIS: FRONT WHEEL ALIGNMENT: ADJUSTMENT

NOTICE:
For vehicles equipped with VSC, if the wheel alignment has been adjusted, or if suspension or underbody components have been removed/installed or replaced, be sure to perform the following initialization procedure in order for the system to function normally:

(a) Disconnect the cable from the negative (-) battery terminal for more than 2 seconds.
(b) Reconnect the cable to the negative (-) battery terminal.
(c) Perform zero point calibration of the yaw rate and acceleration sensor and test mode inspection.

1. INSPECT TIRES Component Tests and General Diagnostics

2. MEASURE VEHICLE HEIGHT





NOTICE:
* Before inspecting the wheel alignment, adjust the vehicle height to the specified value.
* Be sure to perform measurement on a level surface.
* If it is necessary to go under the vehicle for measurement, confirm that the parking brake is applied and the vehicle is secured with chocks.

(a) Bounce the vehicle up and down at the corners several times to stabilize the suspension.

(b) Measure the vehicle height.

Measuring points (for Torsion Type Suspension):

* A: Ground clearance of front wheel center

* B: Ground clearance of lower suspension arm No. 1 bush front bolt center

* C: Ground clearance of axle beam set bolt center

* D: Ground clearance of rear wheel center

Measuring points (for Double Wishbone Type Suspension):

* A: Ground clearance of front wheel center

* B: Ground clearance of lower suspension arm No. 1 bush front bolt center

* C: Ground clearance of No. 1 lower suspension arm bushing set bolt center

* D: Ground clearance of rear wheel center

Vehicle Height (Unloaded Vehicle):





3. INSPECT WHEEL ANGLE





(a) Put tread center marks on the rearmost points of the turning radius gauge.

(b) Turn the steering wheel to the left and right full lock positions, and measure the turning angle.

Wheel Angle (Unloaded Vehicle):





If the angles are not as specified, check and adjust the right and left rack end lengths.

4. INSPECT CAMBER, CASTER AND STEERING AXIS INCLINATION





(a) Install the camber-caster-kingpin gauge or place the front wheels on the center of the wheel alignment tester.

(b) Inspect the camber, caster and steering axis inclination.

Camber Inclination (Unloaded Vehicle):





Caster Inclination (Unloaded Vehicle):





Steering Axis Inclination (Unloaded Vehicle):





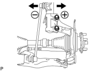
5. ADJUST CAMBER

NOTICE:
Inspect toe-in after the camber has been adjusted.

(a) Remove the front wheel.

(b) Remove the bolt and separate the front flexible hose from the front shock absorber.





(c) Remove the clamp and separate the front speed sensor from the front shock absorber.





(d) Remove the 2 nuts on the lower side of the front shock absorber.





NOTICE:
Keep the bolts inserted.

(e) Clean the installation surfaces of the front shock absorber and the steering knuckle.

(f) Temporarily install the 2 nuts (Step A).

(g) Fully push or pull the front axle hub in the direction of the required adjustment (Step B).





(h) Tighten the nuts.

Torque : 240 Nm (2447 kgf-cm, 177 ft-lbf)

NOTICE:
Keep the bolts from rotating when tightening the nuts.

(i) Install the front speed sensor with the clamp to the front shock absorber.





(j) Install the front seed sensor and the front flexible hose to the front shock absorber with the bolt.





Torque : 29 Nm (296 kgf-cm, 21 ft-lbf)

(k) Install the front wheel.

Torque : 103 Nm (1050 kgf-cm, 76 ft-lbf)

(l) Check the camber.





If the measured value is not within the specification, calculate the required adjustment amount using the formula below.

Camber adjustment amount = center value of the specified range - measured value.

Check the combination of installed bolts. Select appropriate bolts from the table below to adjust the camber to the specified values.

HINT
Try to adjust the camber to the center of the specified values.













The body and suspension may be damaged if the camber is not correctly adjusted according to the table above.

NOTICE:
Replace the nut with a new one when replacing the bolt.

(m) Repeat the steps mentioned above. In step (A), replace 1 or 2 selected bolts.

HINT
Replace one bolt at a time when replacing 2 bolts.

6. INSPECT TOE-IN

(a) Bounce the vehicle up and down at the corners several times to stabilize the suspension.

(b) Release the parking brake and move the shift lever to N.

(c) Push the vehicle straight ahead approximately 5 m (16.4 ft.) *1.

(d) Put tread center marks on the rearmost points of the front wheels and measure the distance between the marks (dimension B).





(e) Slowly push the vehicle straight ahead to rotate the front wheels 180° using the front tire valve as a reference point.

HINT
Do not allow the wheels to rotate more than 180°. If the wheels rotate more than 180°, perform the procedure from *1 again.

(f) Measure the distance between the tread center marks on the front side of the wheels (dimension A).





Toe-in (Unloaded Vehicle):





HINT
* Measure "B - A" only when "C + D" cannot be measured.
* If the toe-in is not within the specified range, adjust it at the rack ends.

7. ADJUST TOE-IN

(a) Make sure that the lengths of the right and left rack ends are almost the same.





Standard difference:

1.5 mm (0.0591 in.) or less

(b) Remove the boot clips.

(c) Loosen the tie rod end lock nuts.





(d) Turn the right and left rack ends by an equal amount to adjust the toe-in to the center value.

(e) Tighten the tie rod end lock nuts.

Torque : 74 Nm (755 kgf-cm, 55 ft-lbf)

(f) Place the boots on the seats and install the clips.

HINT
Make sure that the boots are not twisted.

8. PLACE FRONT WHEELS FACING STRAIGHT AHEAD

9. DISCONNECT CABLE FROM NEGATIVE BATTERY TERMINAL

NOTICE:
Disconnect the cable from the negative (-) battery terminal for more than 2 seconds.

10. CONNECT CABLE TO NEGATIVE BATTERY TERMINAL

11. PERFORM YAW RATE SENSOR ZERO POINT CALIBRATION

for 2AZ-FE: Programming and Relearning

for 2ZR-FE: Programming and Relearning

12. CHECK STEERING ANGLE SENSOR ZERO POINT CALIBRATION

for 2AZ-FE: C1290

for 2ZR-FE: C1290