lemon-mirror:
Home >> Toyota >> 2011 >> Matrix FWD L4-1.8L (2ZR-FE) >> Repair and Diagnosis >> Body and Frame >> Body Control Systems >> Body Control Module >> Locations >> CAN Communication System

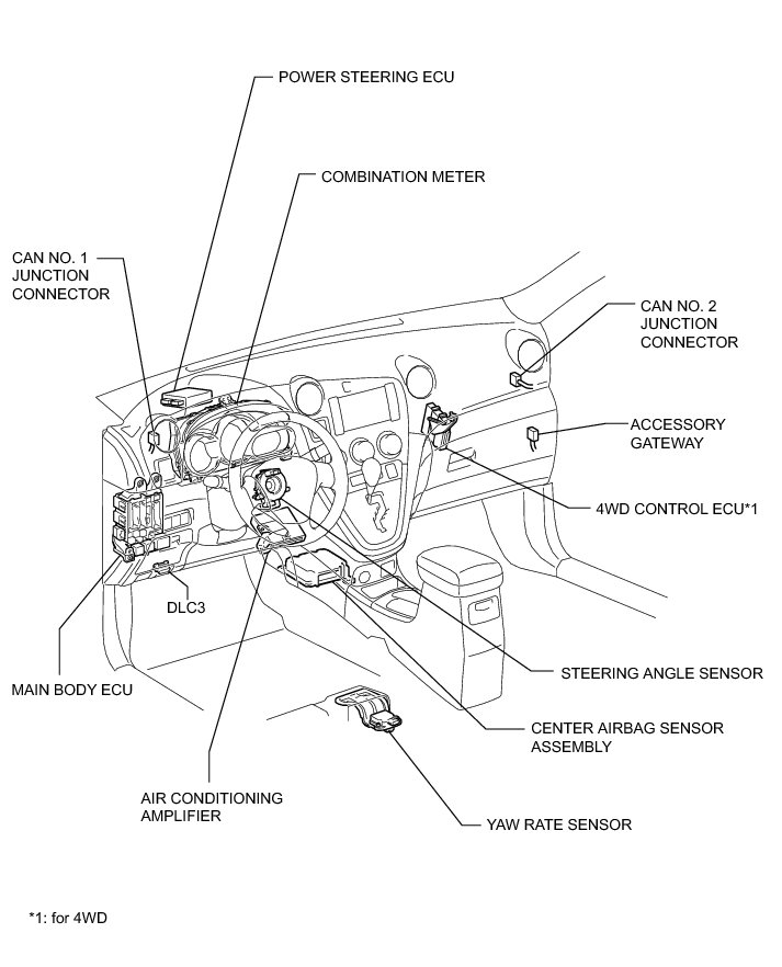
CAN Communication System





NETWORKING: CAN COMMUNICATION SYSTEM: PARTS LOCATION