lemon-mirror:
Home >> Toyota >> 1982 >> Starlet L4-1290cc 4KC >> Repair and Diagnosis >> Heating and Air Conditioning >> Control Module HVAC >> Locations

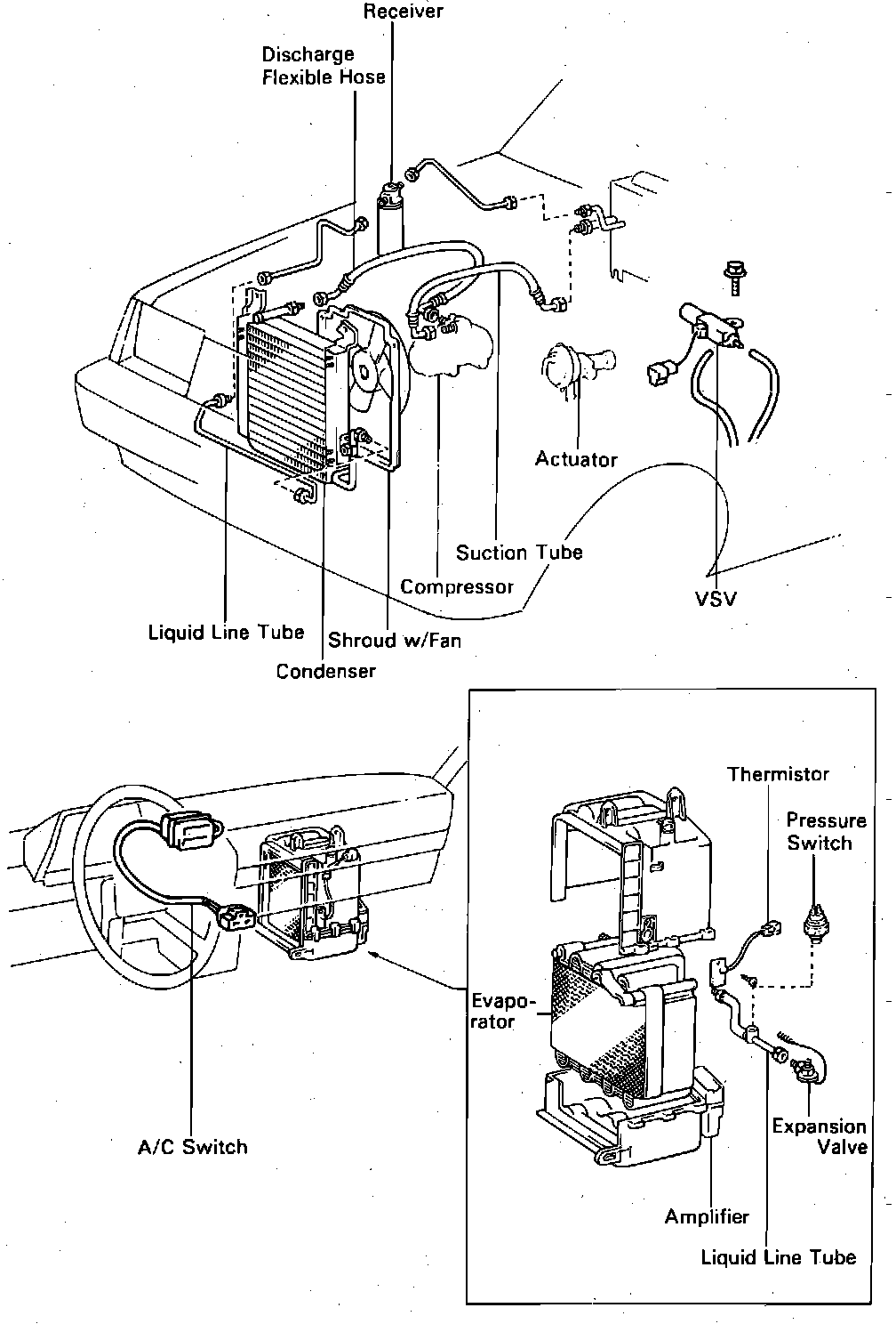
Control Module HVAC: Locations

A/C System Component Locations:




Inside Cooling Unit