lemon-mirror:
Home >> Toyota >> 1982 >> Pickup 2WD L4-2188cc L,DSL >> Repair and Diagnosis >> Powertrain Management >> Computers and Control Systems >> Engine Control Module >> Locations

Engine Control Module: Locations

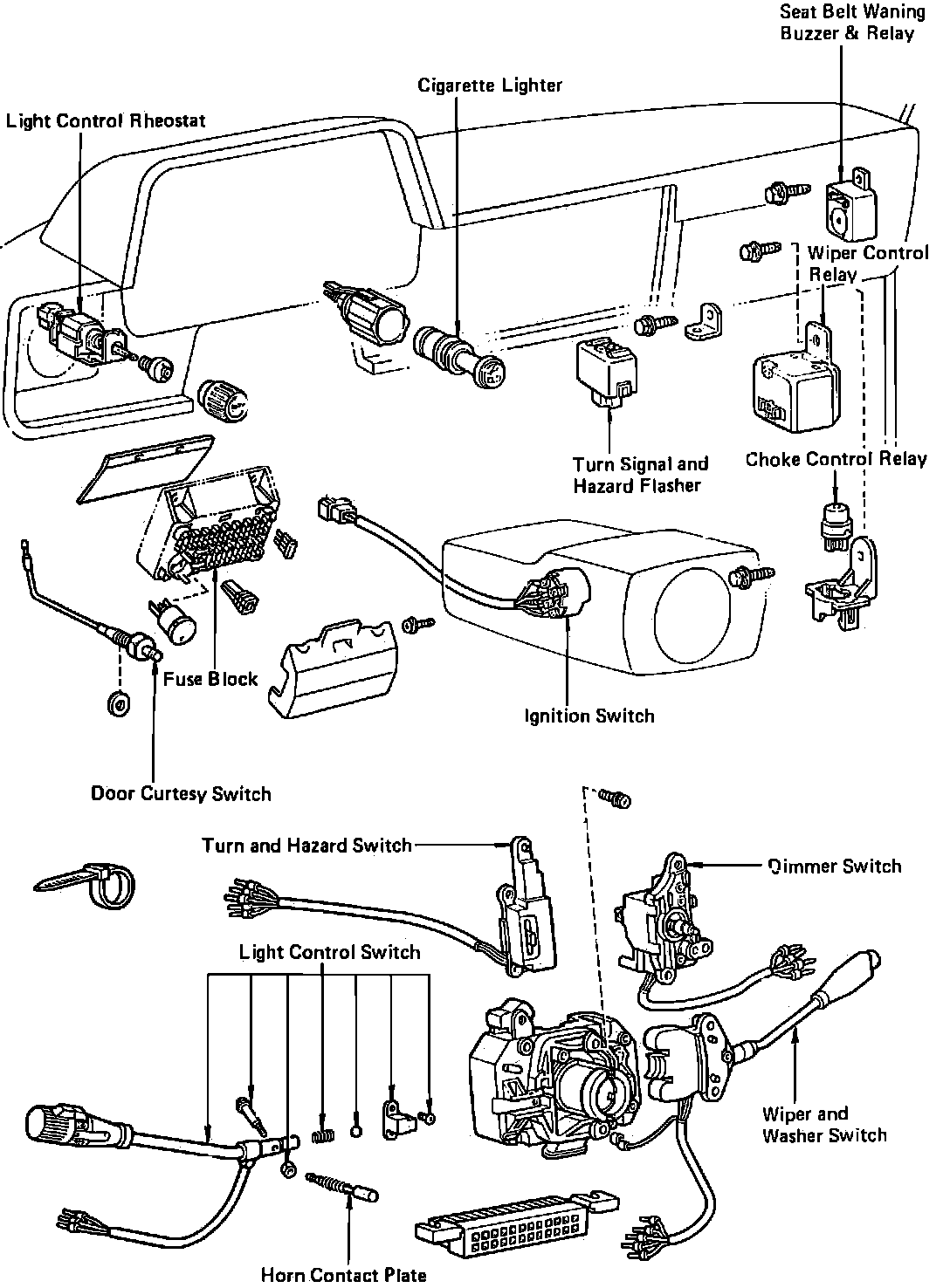
I/P & Steering Column Relay & Switch Locations (Part 1 Of 2).:




I/P & Steering Column Relay & Switch Locations (Part 1 Of 2).:




Behind LH Side Kick Panel

Applicable to: 1982-83 Models