lemon-mirror:
Home >> Toyota >> 1982 >> Pickup 2WD L4-2188cc L,DSL >> Repair and Diagnosis >> Heating and Air Conditioning >> Control Module HVAC >> Locations

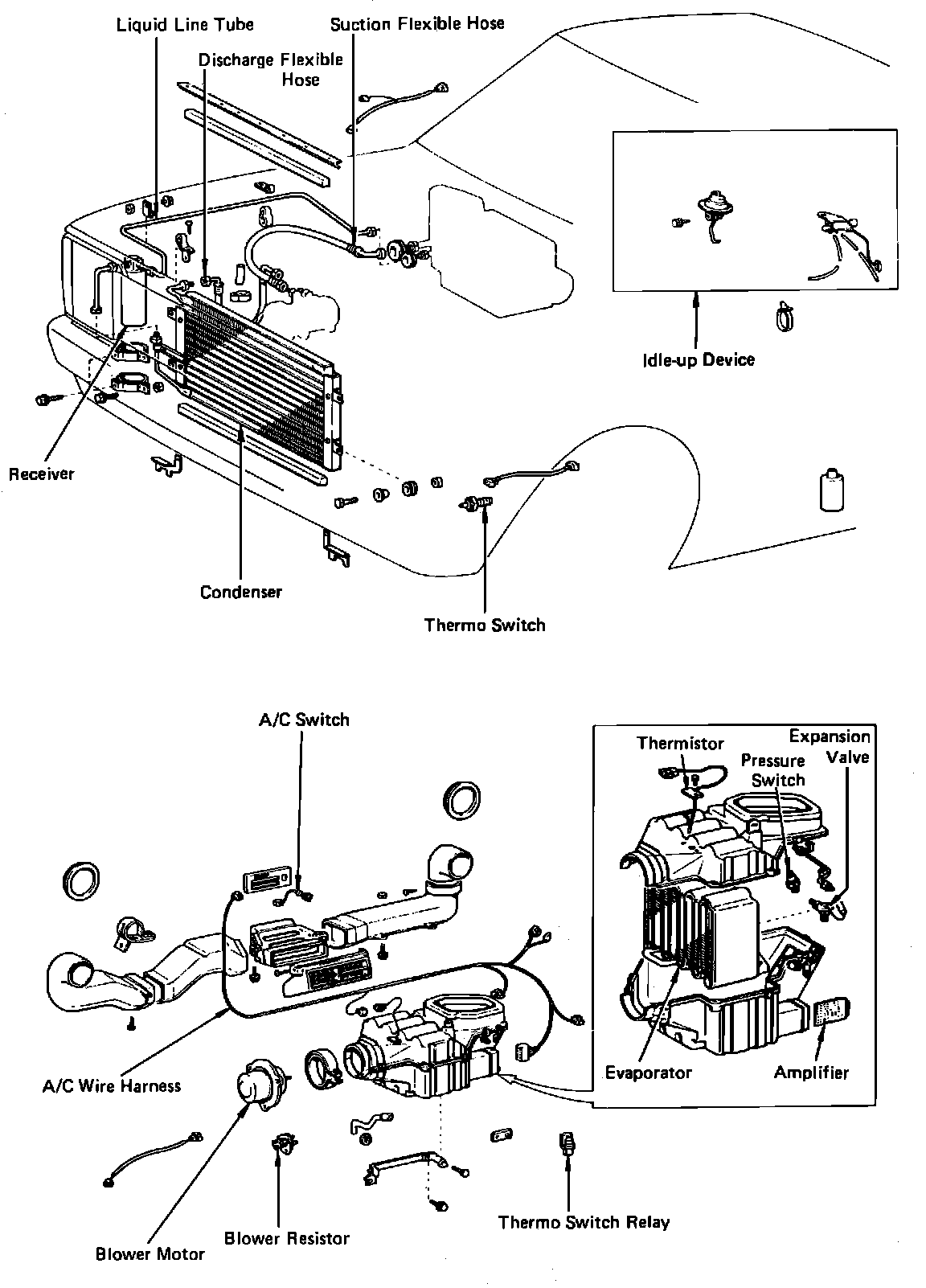
Control Module HVAC: Locations

A/C System Component Location.:




Attached To Cooling Unit

Applicable to: 1982-83 Models