lemon-mirror:
Home >> Suzuki >> 2012 >> SX4 2WD L4-2.0L >> Repair and Diagnosis >> Powertrain Management >> Computers and Control Systems >> Engine Control Module >> Testing and Inspection >> Component Tests and General Diagnostics

Component Tests and General Diagnostics




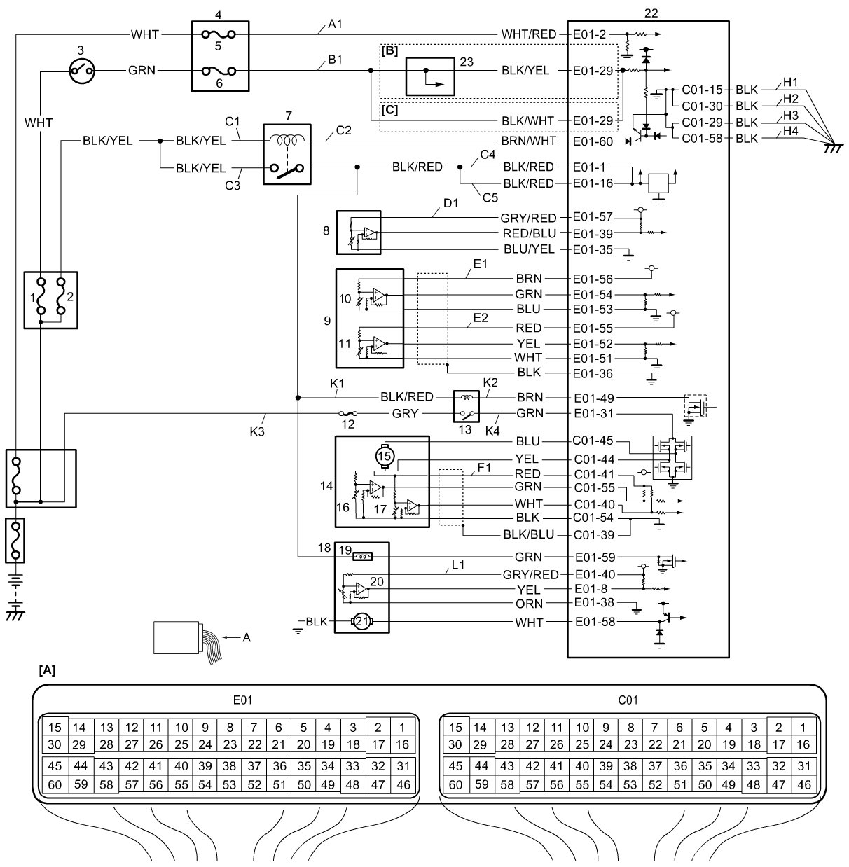
ECM Power and Ground Circuit Check

Wiring Diagram










Circuit Description

When the ignition switch is turned to ON position, the main relay turns ON (the contact point closes) and the main power is supplied to ECM. And then ECM supplies 5 V power to each sensor (A/C refrigerant pressure sensor, EVAP leak check pressure sensor, APP sensor and TP sensor).

Troubleshooting

NOTE:

The connectors of the ECM are watertight. If tester probes are directly connected to any of the connectors when checking the ECM and its circuits, the watertight performance of the connector will be affected, possibly resulting in corrosion of connector terminals and damage to electrical circuits.

Always use the special tool when checking the ECM and its circuits. Connect tester probes only to the special tool's connectors.

NOTE:

Before troubleshooting, perform following items.

- Be sure to read Precautions for ECM Circuit Inspection Precautions for ECM Circuit Inspection.
- Be sure to confirm related fuses of ECM power circuit for not blown out.
If fuse is blown out, replace fuse(s) and check circuits connected to blown fuse(s) for short circuit to ground.
- Confirm that battery voltage is 11 V or more.

1) Check ECM power supply circuit as follows.
a) Turn OFF ignition switch and disconnect ECM connectors from ECM.
b) Check each terminal of ECM connectors for proper connection.
c) Measure voltage between each terminal of ECM connector and body ground in the following table.
If each measured voltage is out of specified voltage, repair or replace related part.






d) Turn OFF ignition switch and connect ECM connectors.
e) Measure voltage between each terminal of ECM connector and body ground in the following table.
If each measured voltage is out of specified voltage, repair or replace related part.






2) Check throttle actuator power supply circuit as follows.






3) Check ECM ground circuit as follows.

If each measured voltage is within specified voltage, go to next step.

If each measured voltage is out of specified voltage, repair ECM ground circuits.






4) Check each sensor power supply circuit as follows.

If measured voltage is within specified voltage, ECM power and ground circuits is in good condition.

If each measured voltage is out of specified voltage, repair or replace related part.