lemon-mirror:
Home >> Suzuki >> 2012 >> Kizashi FWD L4-2.4L >> Repair and Diagnosis >> Powertrain Management >> Computers and Control Systems >> Main Relay (Computer/Fuel System) >> Testing and Inspection

Main Relay (Computer/Fuel System): Testing and Inspection




Engine and Emission Control System Relay Inspection




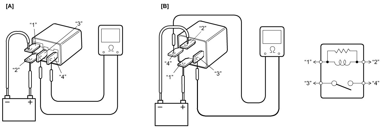
Control Relay Inspection

Other than Wiper HI/LO Relay, Wiper Relay and Radiator Cooling Fan Relay No.2

1) Disconnect relay(s) to be checked. Component Locations
2) Check that there is no continuity between terminals "3" and "4".

If checked result shows there is fault, replace relay.
3) Measure resistance between "1" and "2" terminal of relay.

If checked result is not as specified, replace relay.

Relay resistance
Between terminal "1" and "2": Approx. 170 ohms at 20 °C (68 °F)

4) Connect battery positive (+) terminal and negative (-) terminal to relay as shown in figure, check for continuity between terminal "3" and "4".

If there is no continuity when relay is connected to the battery, replace relay.











Wiper HI/LO Relay, Wiper Relay and Radiator Cooling Fan Relay No.2

1) Disconnect relay(s) to be checked. Component Locations
2) Check that there is no continuity between terminal "3" and "5".

If there is continuity, replace relay.
3) Check that there is continuity between terminal "3" and "4"

If there is no continuity, replace relay.
4) Measure resistance between "1" and "2" terminal of relay.

If checked result is not as specified, replace relay.

Relay resistance
Between terminal "1" and "2": Approx. 110 ohms at 20 °C (68 °F)

5) Connect battery positive (+) terminal and negative (-) terminal to relay as shown in figure, check for continuity between terminal "3" and "5".

If there is no continuity when relay is connected to the battery, replace relay.
6) Connect battery positive (+) terminal and negative (-) terminal to relay as shown in figure, check for no continuity between terminal "3" and "4".

If there is continuity when relay is connected to the battery, replace relay.





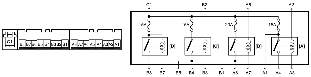
Power Integration Inspection

1) Disconnect power integration. Component Locations
2) Check that there is no continuity between terminals of each relay as following table.

If there is continuity, replace power integration.

NOTE:
Check the state of each fuse and replace any blown fuses before inspecting power integration.





3) Following the table, for each relay, check continuity between switch side terminals when battery voltage is acting between coil side terminals.

If there is no continuity when relay is connected to the battery, replace power integration.