lemon-mirror:
Home >> Suzuki >> 2012 >> Kizashi FWD L4-2.4L >> Repair and Diagnosis >> Powertrain Management >> Computers and Control Systems >> Engine Control Module >> Testing and Inspection >> Component Tests and General Diagnostics

Component Tests and General Diagnostics




ECM Power and Ground Circuit Check

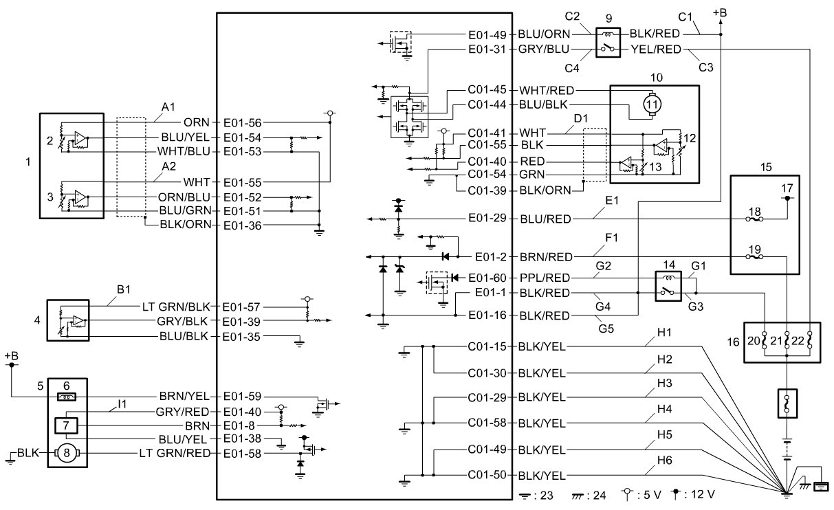
Circuit Diagram














Circuit Description

When pushing engine switch to change ignition mode to "ON", the main relay turns ON (the contact point closes) and the main power is supplied to ECM. And then ECM supplies 5 V power to each sensor (A/C refrigerant pressure sensor, EVAP leak check pressure sensor, APP sensor and TP sensor).

Troubleshooting

NOTE:

The connectors of the ECM are watertight. If tester probes are directly connected to any of the connectors when checking the ECM and its circuits, the watertight performance of the connector will be affected, possibly resulting in corrosion of connector terminals and damage to electrical circuits.

Always use the special tool when checking the its circuits. Connect tester probes only to the special tool's connectors.

NOTE:

- Before troubleshooting, perform the following items.

- Be sure to read "Precautions for ECM Circuit Inspection" under Service Precautions Precautions for Engine.
- When measuring circuit voltage and/or pulse signal at ECM connector, connect special tool to ECM and ECM connectors. Pinout Values and Diagnostic Parameters
- Be sure to check related fuses of ECM power circuit for not blown out.
If fuse is blown out, replace fuse(s) and check circuits connected to blown fuse(s) for short circuit to ground.
- Confirm that battery voltage is 12 V or more.

- For "Ignition mode" described in the following table, it means power supply mode in keyless push start system.
For more details of ignition mode, refer to Description of Keyless Engine Start Function Description of Keyless Engine Start Function.

1) Check ECM power supply circuit as follows.
a) Confirm that ignition mode of keyless push start system is in "OFF".
b) Disconnect ECM connectors.
c) Check each terminal of ECM connectors for proper connection.
d) Measure voltage between each terminal of ECM connector and ground in the following table.
If each measured voltage is out of specified range, repair or replace related part.






e) Confirm that ignition mode of keyless push start system is in "OFF".
f) Connect ECM connectors.
g) Measure voltage between each terminal of ECM connector and ground in the following table.
If each measured voltage is out of specified range, repair or replace related part.






2) Check throttle actuator power supply circuit as follows.

If each measured voltage is out of specified range, repair or replace related part.






3) Check ECM ground circuit as follows.

If each measured voltage is out of specified range, repair ECM ground circuits.






4) Check each sensor power supply circuit as follows.

If measured voltage is within specified voltage, ECM power and ground circuits is in good condition.

If each measured voltage is out of specified voltage, repair or replace related part.