lemon-mirror:
Home >> Suzuki >> 2012 >> Kizashi FWD L4-2.4L >> Repair and Diagnosis >> Diagrams >> Exploded Views >> Engine Mount

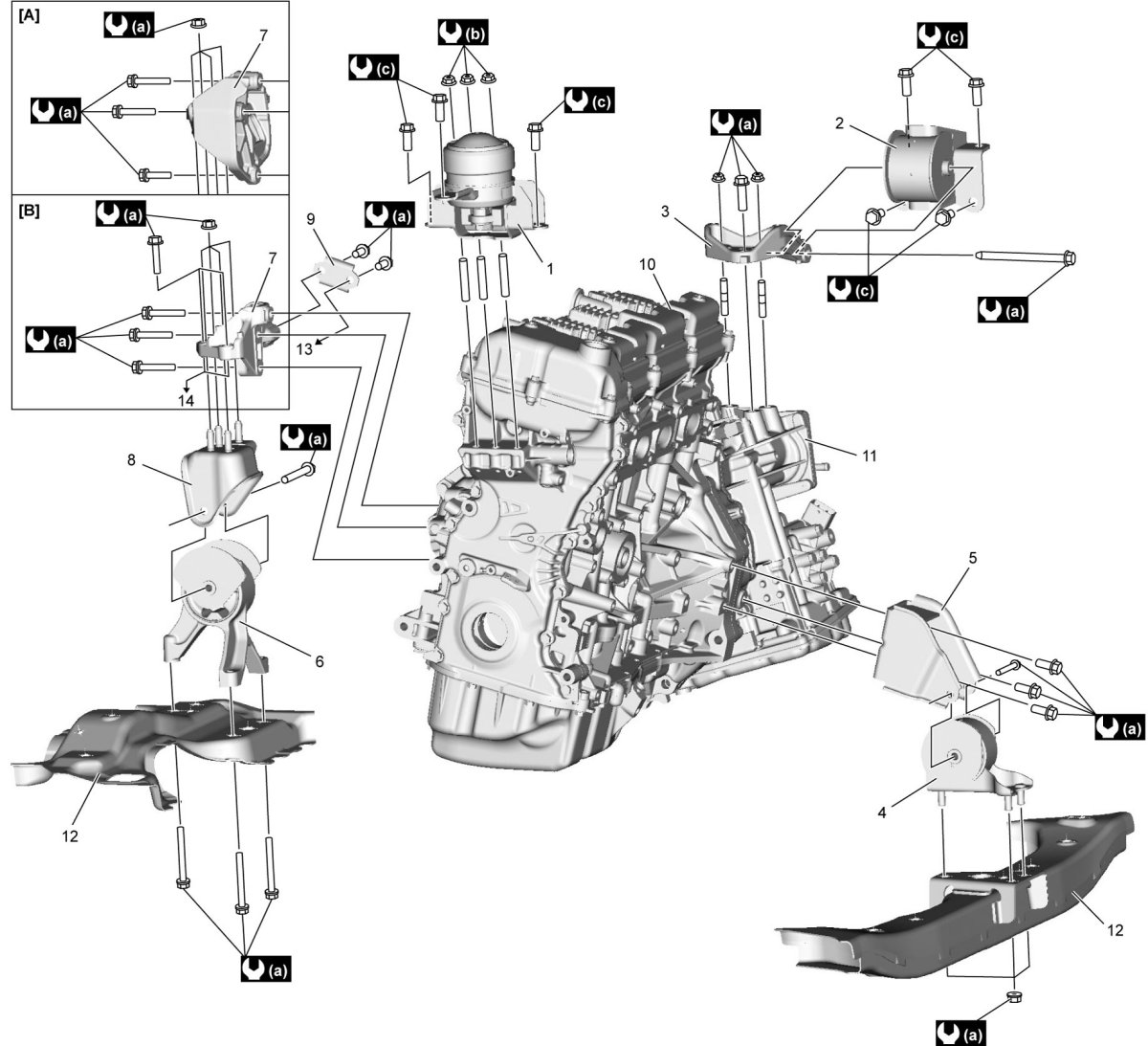
Engine Mount




Engine Mounting Components

M/T Model










CVT Model