lemon-mirror:
Home >> Suzuki >> 2012 >> Equator 2WD L4-2.5L >> Repair and Diagnosis >> Powertrain Management >> Computers and Control Systems >> Fuel Level Sensor >> Service and Repair

Fuel Level Sensor: Service and Repair




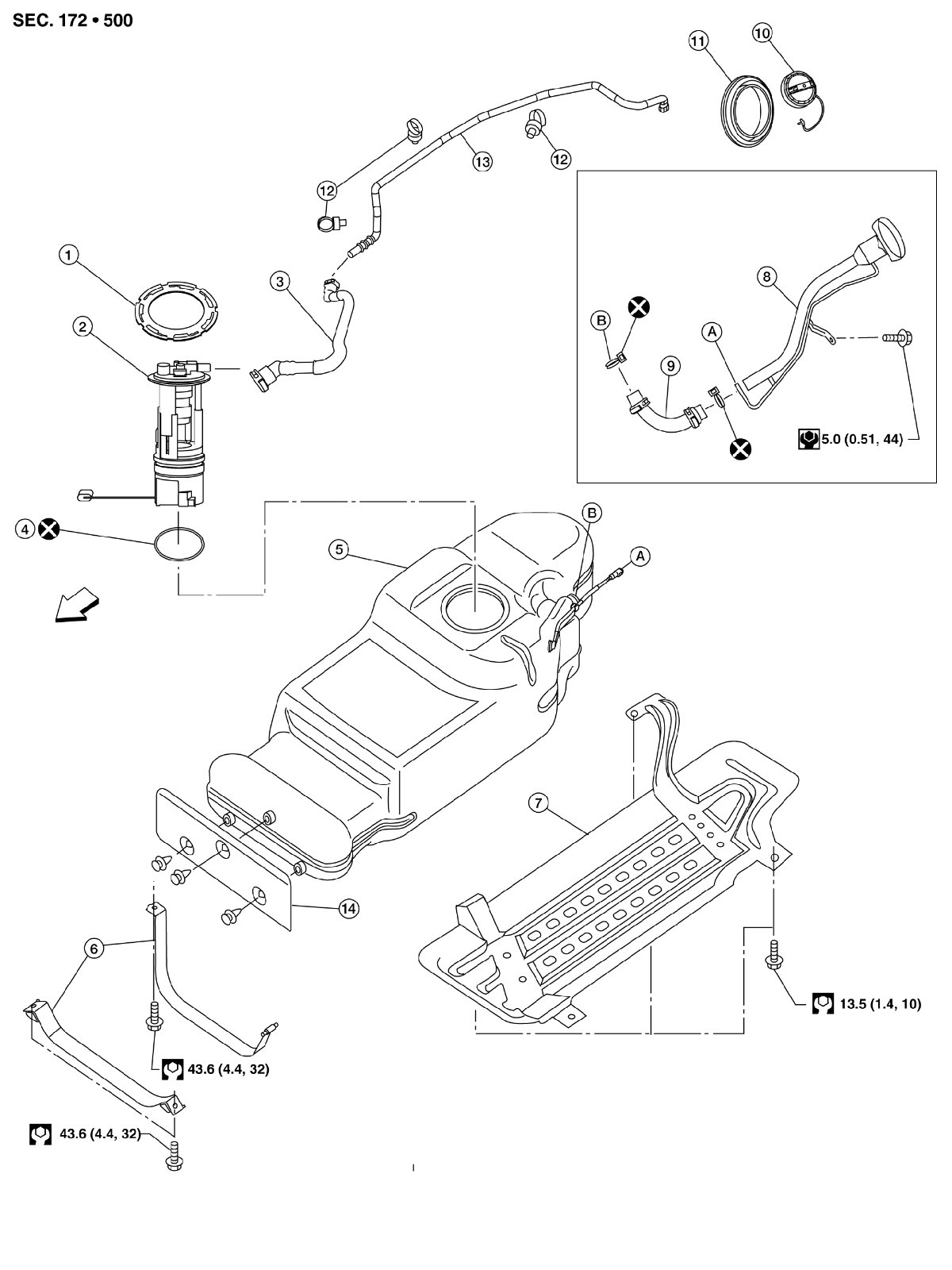
Fuel Level Sensor Unit, Fuel Filter and Fuel Pump Assembly: Removal and Installation










WARNING:

Follow the "General Precautions" before working on the fuel system. Refer to [General Precaution] General Precaution.

NOTE:

When removing components such as hoses, tubes/lines, etc., cap or plug openings to prevent fluid from spilling

Removal

1) Remove the fuel filler cap to release the pressure from inside the fuel tank.
2) Remove the LH rear wheel and tire. Refer to [Wheel and Tire Assembly: Adjustment] Service and Repair.
3) Check the fuel level on level gauge. If the fuel gauge indicates more than the level as shown (half tank), drain the fuel from the fuel tank until the fuel gauge indicates the level as shown, or less.






NOTE:
Fuel will be spilled when removing the fuel level sensor, fuel filter, and fuel pump assembly for the fuel level is above the fuel level sensor, fuel filter, and fuel pump assembly fuel tank opening.

- As a guide, the fuel level reaches the fuel gauge position as shown, or less, when approximately 40 (10 5/8 US gal, 8 3/4 Imp gal) of fuel are drained from a full fuel tank.
- If the fuel pump does not operate, use the following procedure to drain the fuel to the specified level.
a) Insert a suitable hose of less than 15 mm (0.59 in) diameter into the fuel filler pipe through the fuel filler opening to drain the fuel from fuel filler pipe.
b) Remove the fuel filler pipe shield.
c) Disconnect the fuel filler hose from the fuel filler pipe.
d) Insert a suitable hose into the fuel tank through the fuel filler hose to drain the fuel from the fuel tank.
4) Release the fuel pressure from the fuel lines. Refer to [Fuel Pressure Check: QR25DE] Testing and Inspection (QR25DE), [Fuel Pressure Check: VQ40DE] Testing and Inspection (VQ40DE).
5) Disconnect the battery negative terminal.
6) Remove the fuel tank shield.
7) Remove the fuel tank strap bolts while supporting the fuel tank with a suitable lift jack.





8) Lower the fuel tank using a suitable lift jack to access the top of the fuel level sensor, fuel filter, and fuel pump assembly.
9) Disconnect the fuel level sensor, fuel filter, and fuel pump assembly electrical connector, EVAP hose, and the fuel feed hose.





- Disconnect the fuel feed hose from the molded clip in the side of the fuel tank.
Disconnect the quick connector as follows:





- Hold the sides of the connector, push in tabs and pull out the tube.
- If the connector and the tube are stuck together, push and pull several times until they start to move. Then disconnect them by pulling.

CAUTION:
- The quick connector can be disconnected when the tabs are completely depressed. Do not twist the quick connector more than necessary.





- Do not use any tools to disconnect the quick connector.
- Keep the resin tube away from heat. Be especially careful when welding near the tube.
- Prevent any acid liquids such as battery electrolyte, from getting on the resin tube.
- Do not bend or twist the resin tube during connection.
- Do not remove the remaining retainer on the hard tube (or the equivalent) except when the resin tube or the retainer is replaced.
- When the resin tube or hard tube, or the equivalent, is
replaced, also replace the retainer with a new one (semitransparent retainer).
- To keep the quick connector clean and to avoid damage and contamination from foreign materials, cover the quick connector with plastic bags or suitable material as shown.






10) Lower the fuel tank using a suitable lift jack and remove it from the vehicle to gain access to the fuel level sensor, fuel filter, and fuel pump assembly.





11) Remove the lock ring using Tool as shown.











12) Disconnect the EVAP hose from the molded clip in the top of the fuel tank.
13) Remove the fuel level sensor, fuel filter, and fuel pump assembly. Remove and discard the O-ring.

CAUTION:
- Do not bend the float arm during removal.
- Avoid impacts such as dropping when handling the components.
- Discard the O-ring. Do not reuse the O-ring.

Installation

Installation is in the reverse order of removal.

- For installation, use a new fuel level sensor, fuel filter, and fuel pump assembly O-ring.
- Connect the quick connector as follows:

a Check the connection for any damage or foreign materials.
b Align the connector with the pipe, then insert the connector straight into the pipe until a click is heard.
c After connecting the quick connector, make sure that the connection is secure by checking as follows:





d Pull the tube and the connector to make sure they are securely connected.
e Visually inspect the connector to make sure the two retainer tabs are securely connected.

Inspection after Installation

1) Turn the ignition switch ON but do not start engine, then check the fuel pipes and hose connections for leaks while applying fuel pressure to the system.
2) Start engine, raise idle, and verify there are no fuel leaks at the fuel system connections.