lemon-mirror:
Home >> Suzuki >> 2011 >> Equator 2WD L4-2.5L >> Repair and Diagnosis >> Testing and Inspection >> Scan Tool Testing and Procedures

Scan Tool Testing and Procedures




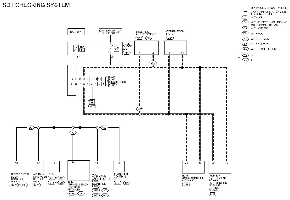
SDT Checking System

Description

- When SDT is connected with a data link connector equipped on the vehicle side, it will communicate with the control unit equipped in the vehicle and then enable various kinds of diagnostic tests.





- Refer to "SDT Operation Manual" for more information.

Function and System Application





x: Applicable

*1: With 4WD

*2: With electronic locking rear differential

*3: With automatic transmission

*4: VQ40DE only

SDT Data Link Connector (DLC) Circuit

Inspection Procedure

If the SDT cannot diagnose the system properly, check the following items.





NOTE:

The CAN and DDL2 circuits from DLC pins 6, 7 and 14 may be connected to more than one system. A short in any circuit connected to a control unit in one system may affect SDT access to other systems.

Wiring Diagram