lemon-mirror:
Home >> Suzuki >> 2011 >> Equator 2WD L4-2.5L >> Repair and Diagnosis >> Diagrams >> Electrical Diagrams >> Powertrain Management >> Body Control Module

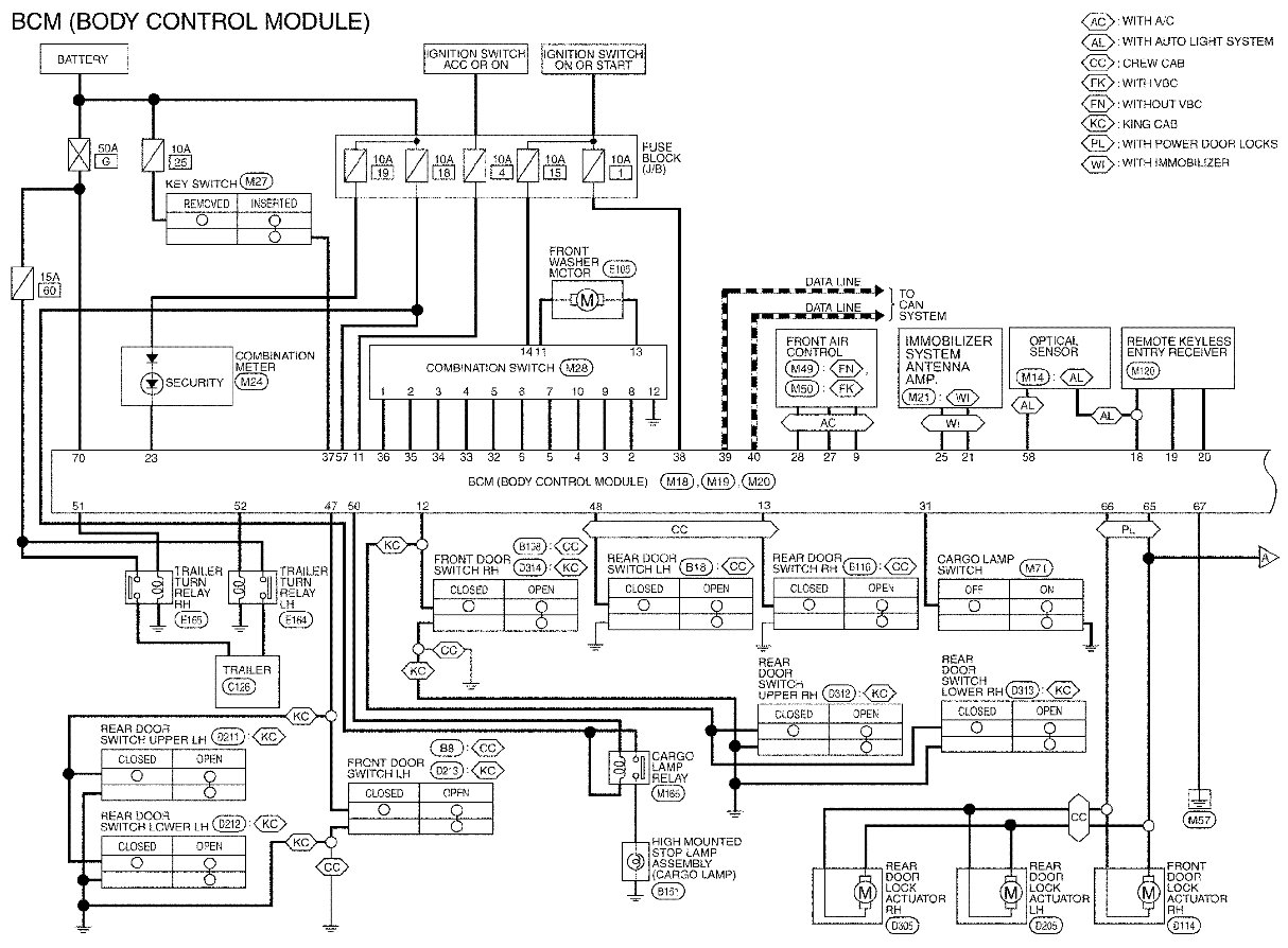
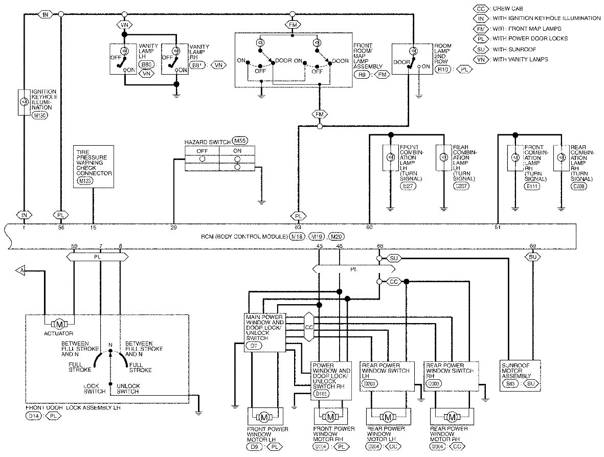
Body Control Module




BCM: Wiring Diagram