lemon-mirror:
Home >> Suzuki >> 2010 >> Equator 2WD V6-4.0L >> Repair and Diagnosis >> Diagrams >> Exploded Views >> Automatic Transmission/Transaxle >> Transmission Assembly Exploded View

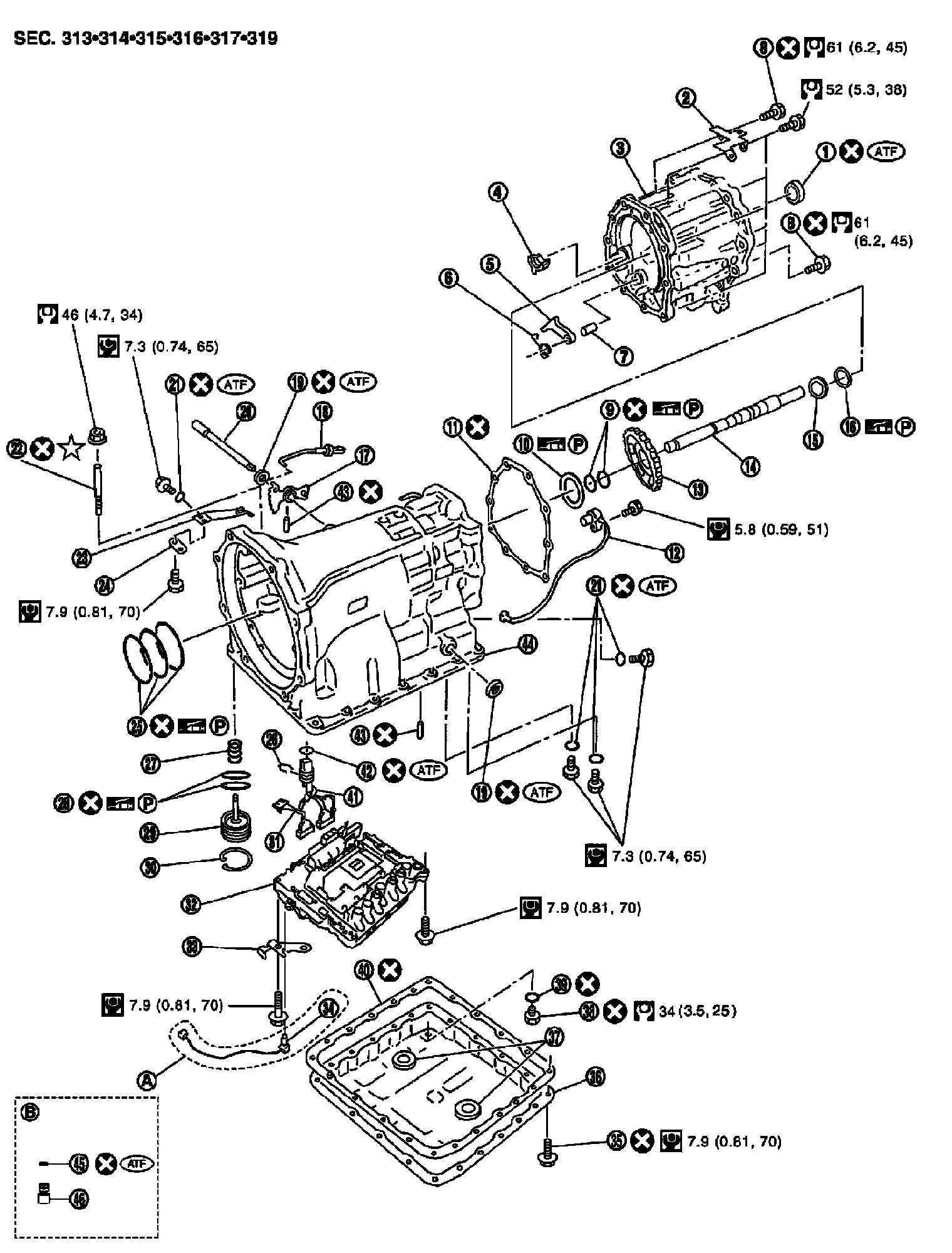
Transmission Assembly Exploded View

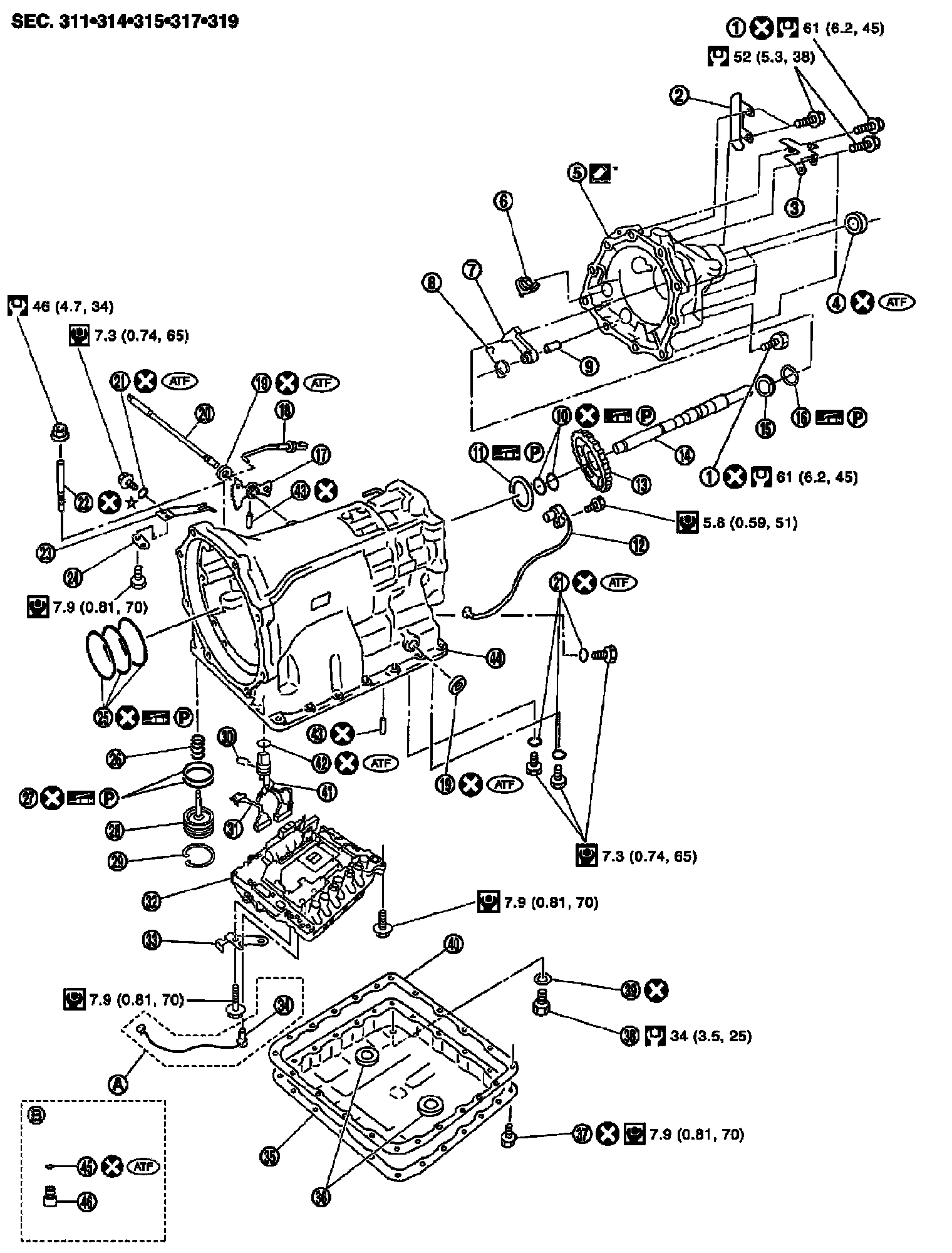
Transmission Assembly Exploded View