lemon-mirror:
Home >> Suzuki >> 2010 >> Equator 2WD L4-2.5L >> Repair and Diagnosis >> Testing and Inspection >> Scan Tool Testing and Procedures

Scan Tool Testing and Procedures

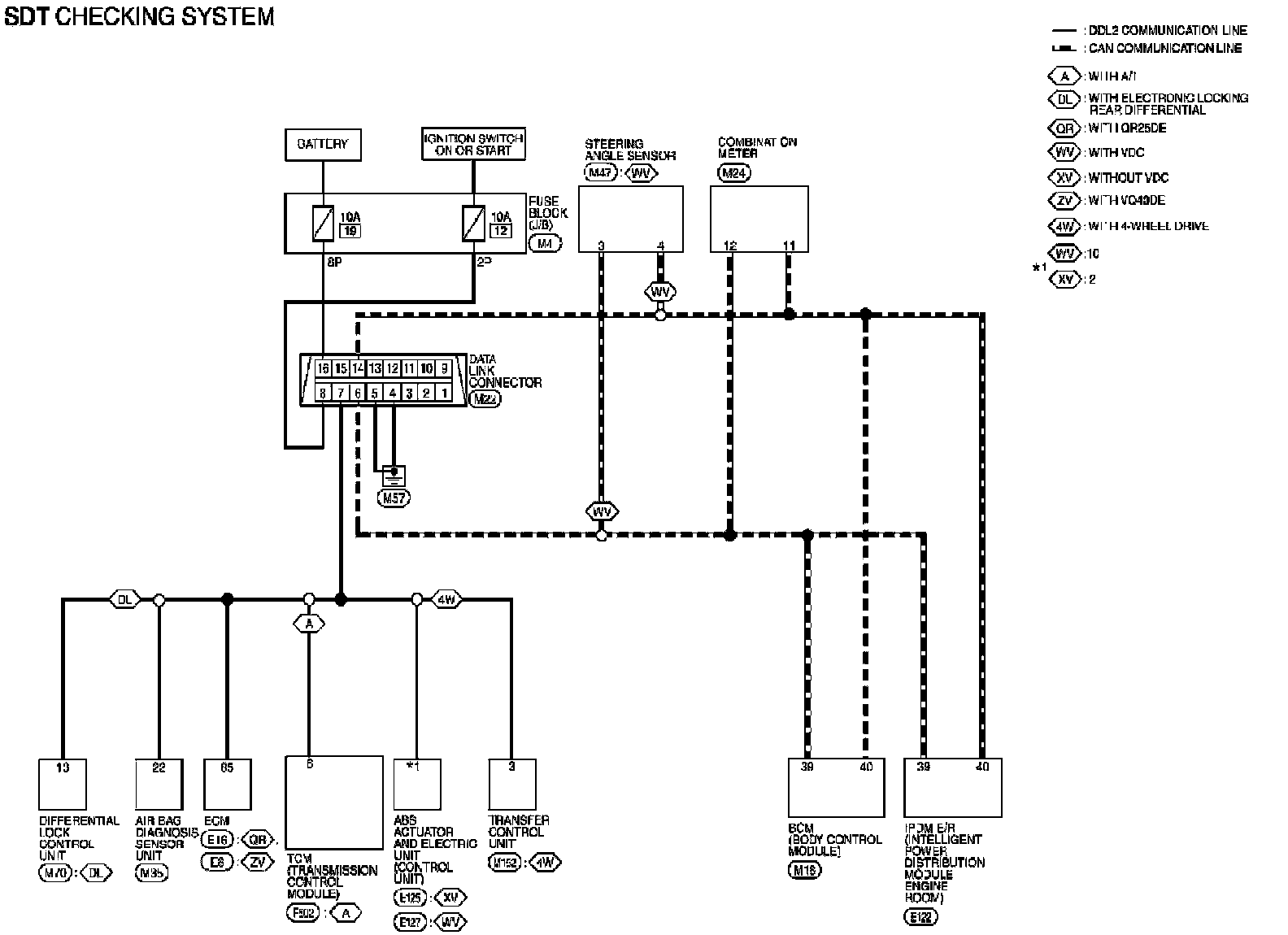
SDT Checking System

Description
- When SDT is connected with a data link connector equipped on the vehicle side, it will communicate with the control unit equipped in the vehicle and then enable various kinds of diagnostic tests.






- Refer to "SDT Operation Manual" for more information.

Function and System Application






SDT Data Link Connector (DLC) Circuit

Inspection Procedure
If the SDT cannot diagnose the system properly, check the following items.






NOTE: The CAN and DDL2 circuits from DLC pins 6, 7 and 14 may be connected to more than one system. A short in any circuit connected to a control unit in one system may affect SDT access to other systems.

Wiring Diagram

SDT Checking System: