lemon-mirror:
Home >> Suzuki >> 2009 >> XL-7 2WD V6-3.6L >> Repair and Diagnosis >> Transmission and Drivetrain >> Automatic Transmission/Transaxle >> Control Module >> Service and Repair

Control Module: Service and Repair

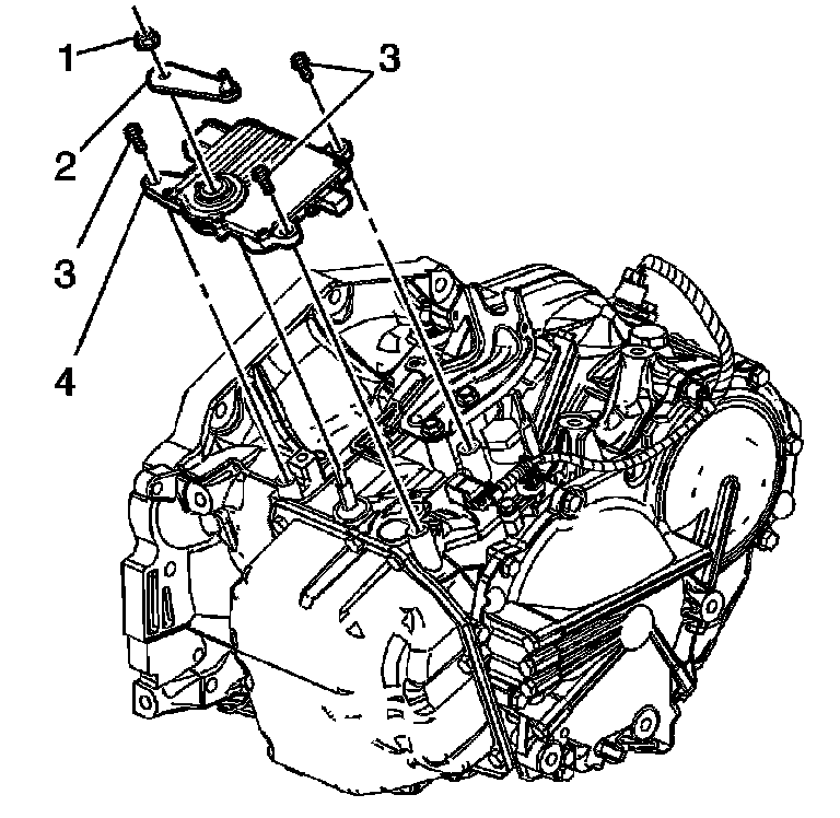
Transmission Control Module Replacement

Removal Procedure
1. Remove the battery tray.

NOTE:
The transaxle manual shaft must be in neutral (N) position prior to re-installing the transmission control module (TCM).

2. Apply the parking brake and place control shift lever in neutral (N).





3. Remove the manual shaft detent lever (2).
4. Disconnect the electrical connectors from the TCM.
5. Remove the TCM bolts (3).
6. Remove the TCM (4) by sliding off of the manual shaft.

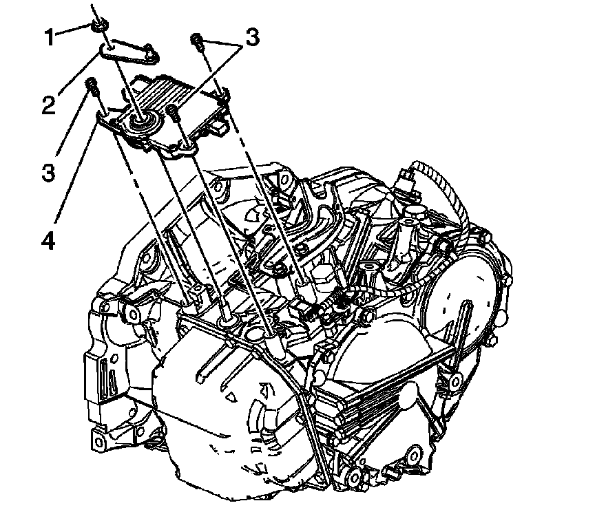
Installation Procedure





1. Using an adjustable wrench on the manual shaft detent lever (710), turn the shaft clockwise until it stop.
2. Turn the shaft counterclockwise one position to the neutral location. To verify turning the shaft in the correct direction, on the manual shaft detent lever (710) the reverse position is larger and more resistance can be felt.





3. Inspect the condition of the connector pins on the wiring harness assembly (33) for foreign material bent pins, or broken pins.
4. Ensure the TCM seal (72) is installed.





5. Turn the slot in the TCM to align the 2 marks. Do not turn more than 60 degrees.





6. Install the TCM (4) over the manual shaft.

CAUTION:
Refer to [Fastener Notice].


7. Install the bolts (3).
Tightening torque
Tighten the bolts to 25 Nm (18 ft. lbs.).
8. Connect the electrical connectors (3, 5) to the TCM.
9. Install the manual shaft detent lever.
10. Install the battery tray.

NOTE:
DTC P0602 is set with all new service transaxle control modules. When the transaxle control module is reprogrammed with the correct software and calibrations, DTC P0602 will be erased.

11. Reprogram the TCM with the correct calibration.
12. Perform the transmission adaptive learn procedure.