lemon-mirror:
Home >> Suzuki >> 2009 >> XL-7 2WD V6-3.6L >> Repair and Diagnosis >> Powertrain Management >> Relays and Modules - Powertrain Management >> Relays and Modules - Computers and Control Systems >> Engine Control Module >> Service and Repair

Engine Control Module: Service and Repair

Engine Control Module Replacement

CAUTION:
^ Turn the ignition OFF when installing or removing the control module connectors and disconnecting or reconnecting the power to the control module (battery cable, powertrain control module (PCM)/engine control module (ECM)/transaxle control module (TCM) pigtail, control module fuse, jumper cables, etc.) in order to prevent internal control module damage.
^ Control module damage may result when the metal case contacts battery voltage. DO NOT contact the control module metal case with battery voltage when servicing a control module, using battery booster cables, or when charging the vehicle battery.
^ In order to prevent any possible electrostatic discharge damage to the control module, do no touch the connector pins or the soldered components on the circuit board.
^ Remove any debris from around the control module connector surfaces before servicing the control module. Inspect the control module connector gaskets when diagnosing or replacing the control module. Ensure that the gaskets are installed correctly. The gaskets prevent contaminant intrusion into the control module.
^ The replacement control module must be programmed.


NOTE: It is necessary to record the remaining engine oil life. If the replacement module is not programed with the remaining engine oil life, the engine oil life will default to 100 percent. If the replacement module is not programmed with the remaining engine oil life, the engine oil will need to be changed at 5 000 km (3,000 mi) from the last engine oil change.

NOTE: It is necessary to record the remaining automatic transmission fluid life. If the replacement module is not programed with the remaining automatic transmission fluid life, the automatic transmission fluid life will default to 100 percent. If the replacement module is not programmed with the remaining automatic transmission fluid life, the automatic transmission fluid will need to be changed at 83 000 km (50,000 mi) from the last automatic transmission fluid change.




Removal Procedure
1. Turn the ignition OFF.
2. Using a scan tool, retrieve the percentage of remaining engine oil and the remaining automatic transmission fluid life. Record the remaining engine oil and the remaining automatic transmission fluid life.
3. Disconnect the negative battery cable. Refer to [Battery Negative Cable Disconnection and Connection].




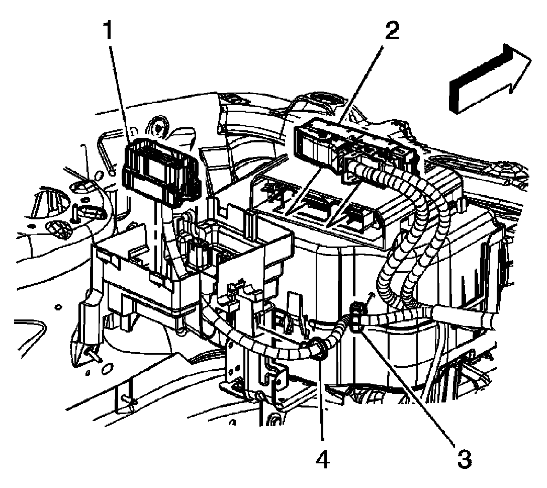
4. Disconnect the engine wiring harness electrical connector (2) from the ECM.

CAUTION: In order to prevent any possible electrostatic discharge damage to the ECM, do not touch the connector pins.




5. Grasp the ECM retainer and slide the retainer rearward until the retainer disengages from the 4 clips on the battery cover.
6. Disengage the clips (1) on the ECM retainer from the ECM, and slide the ECM out of the retainer.




Installation Procedure




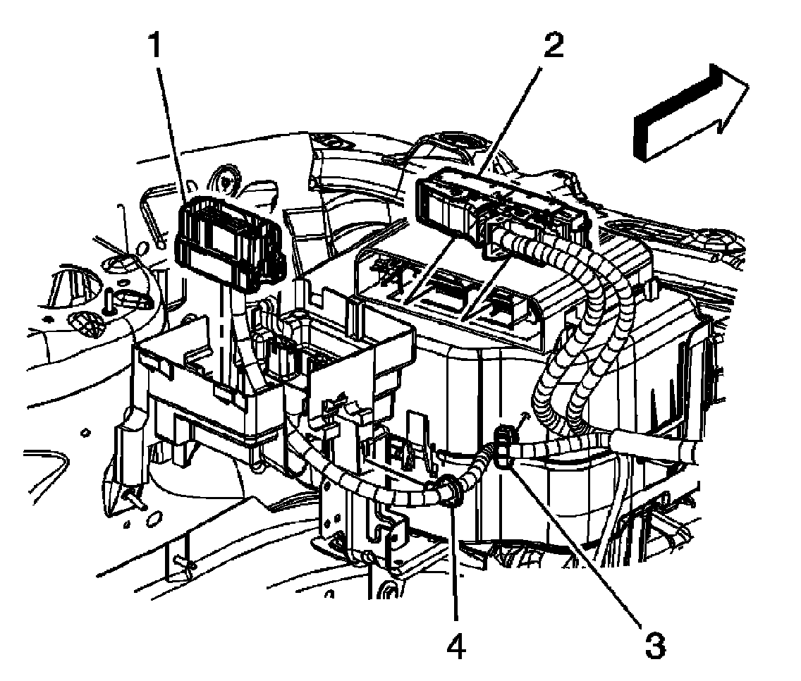
1. Slide the ECM into the retainer until the clips (1) engage the ECM.




2. Grasp the ECM retainer and slide the retainer forward until the retainer locks against the 4 clips on the battery cover.
3. Connect the engine wiring harness electrical connector (2) to the ECM.
4. Connect the negative battery cable. Refer to [Battery Negative Cable Disconnection and Connection].
5. If a NEW ECM was installed, reprogram the ECM. Refer to [Engine Control Module Programming and Setup].