lemon-mirror:
Home >> Suzuki >> 2009 >> SX4 2WD L4-2.0L >> Repair and Diagnosis >> Diagrams >> Exploded Views >> Starter Motor

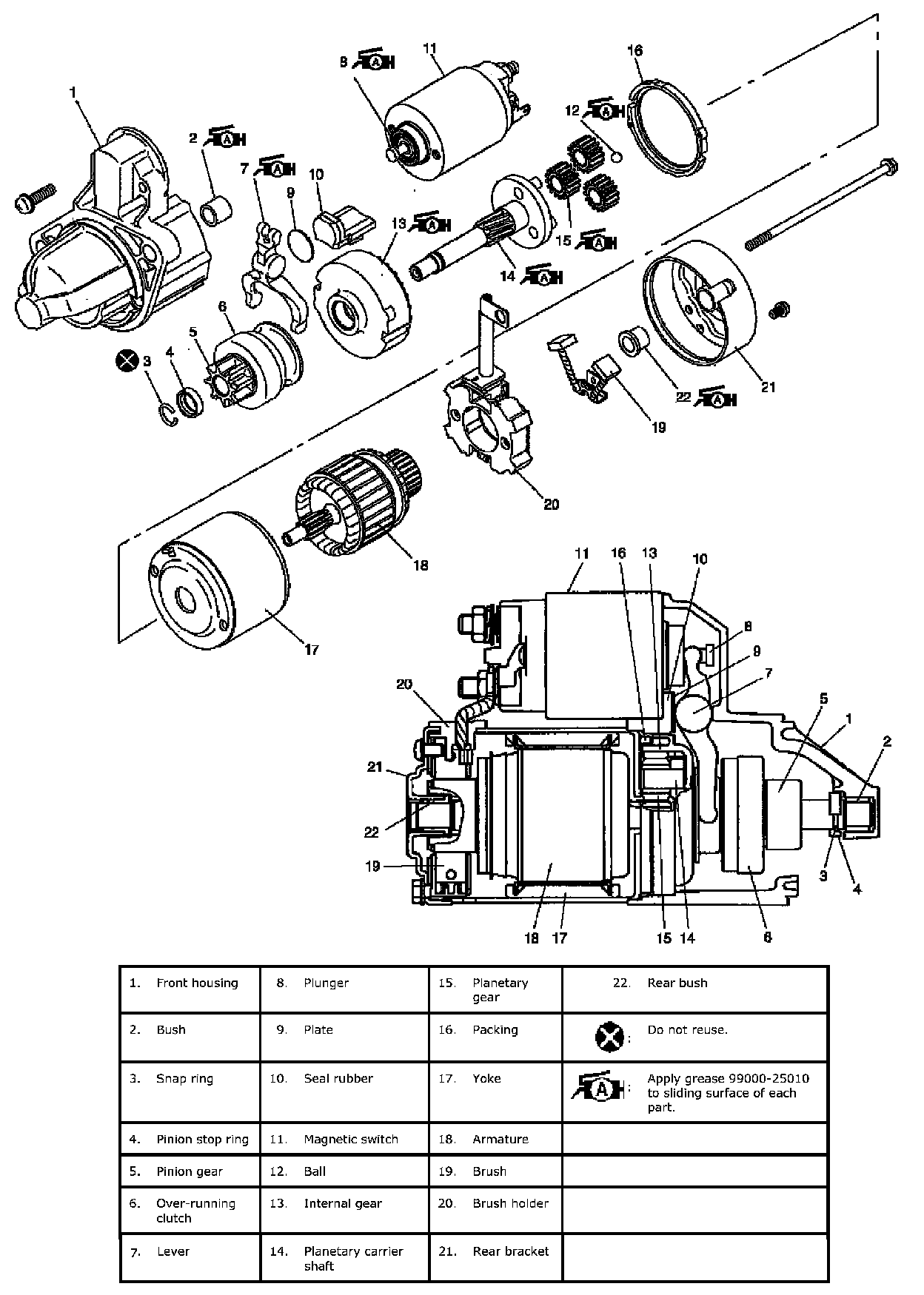
Starter Motor

Starting Motor Unit Components:



Starting Motor Components: