lemon-mirror:
Home >> Suzuki >> 2009 >> SX4 2WD L4-2.0L >> Repair and Diagnosis >> Diagrams >> Exploded Views >> Alternator

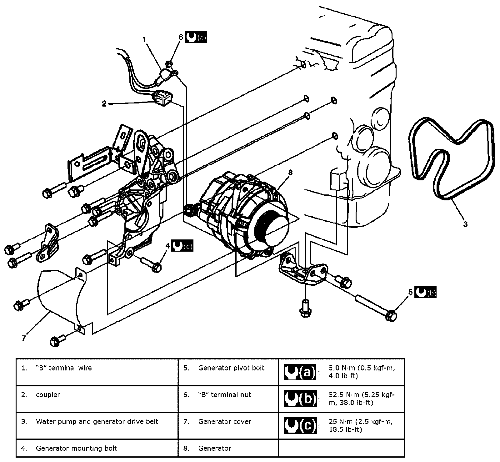
Alternator

Generator Unit Components:



Generator Components: