lemon-mirror:
Home >> Suzuki >> 2009 >> Equator 2WD L4-2.5L >> Repair and Diagnosis >> Diagrams >> Electrical Diagrams >> Powertrain Management >> Computers and Control Systems >> Body Control Module

Body Control Module

BCM (Body Control Module): Wiring Diagram

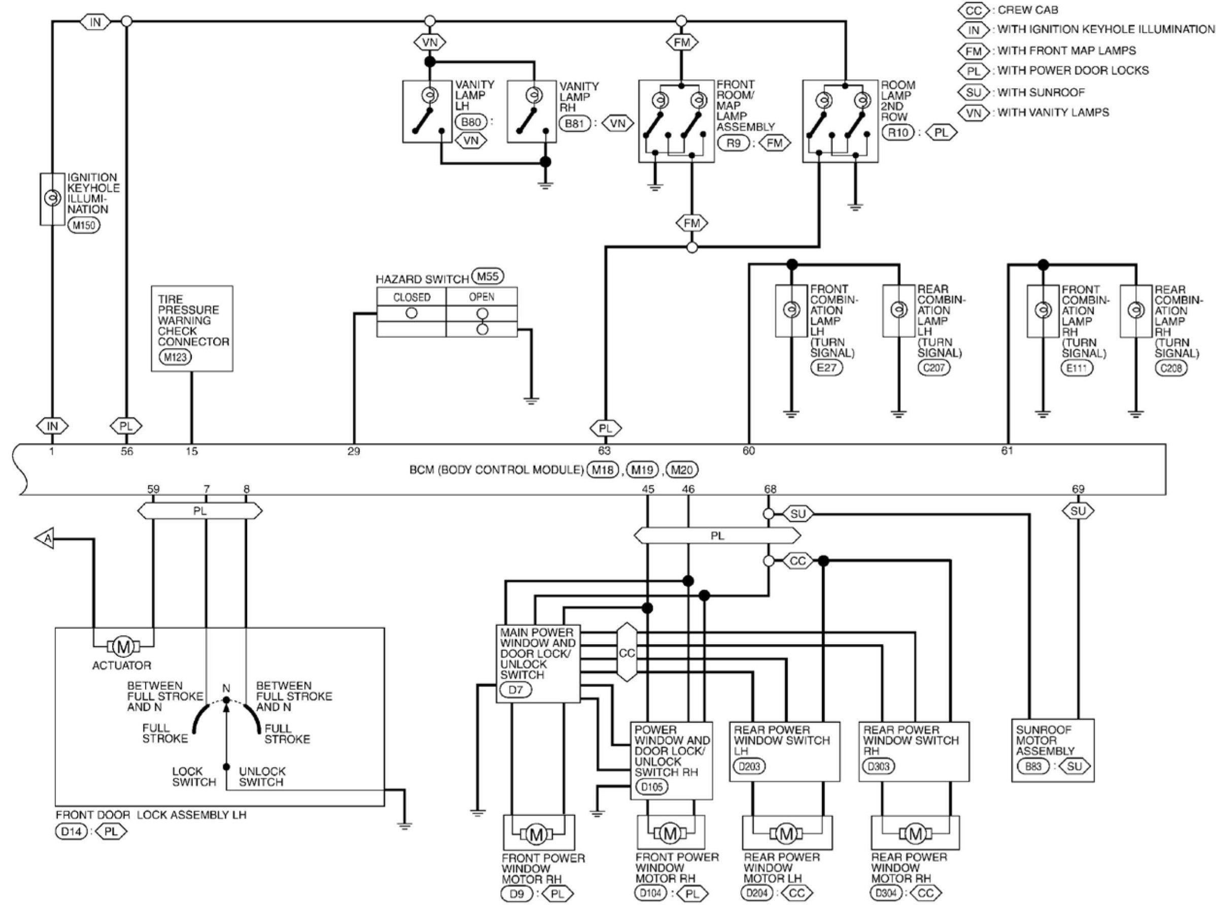
BCM (Body Control Module) (Part 1):




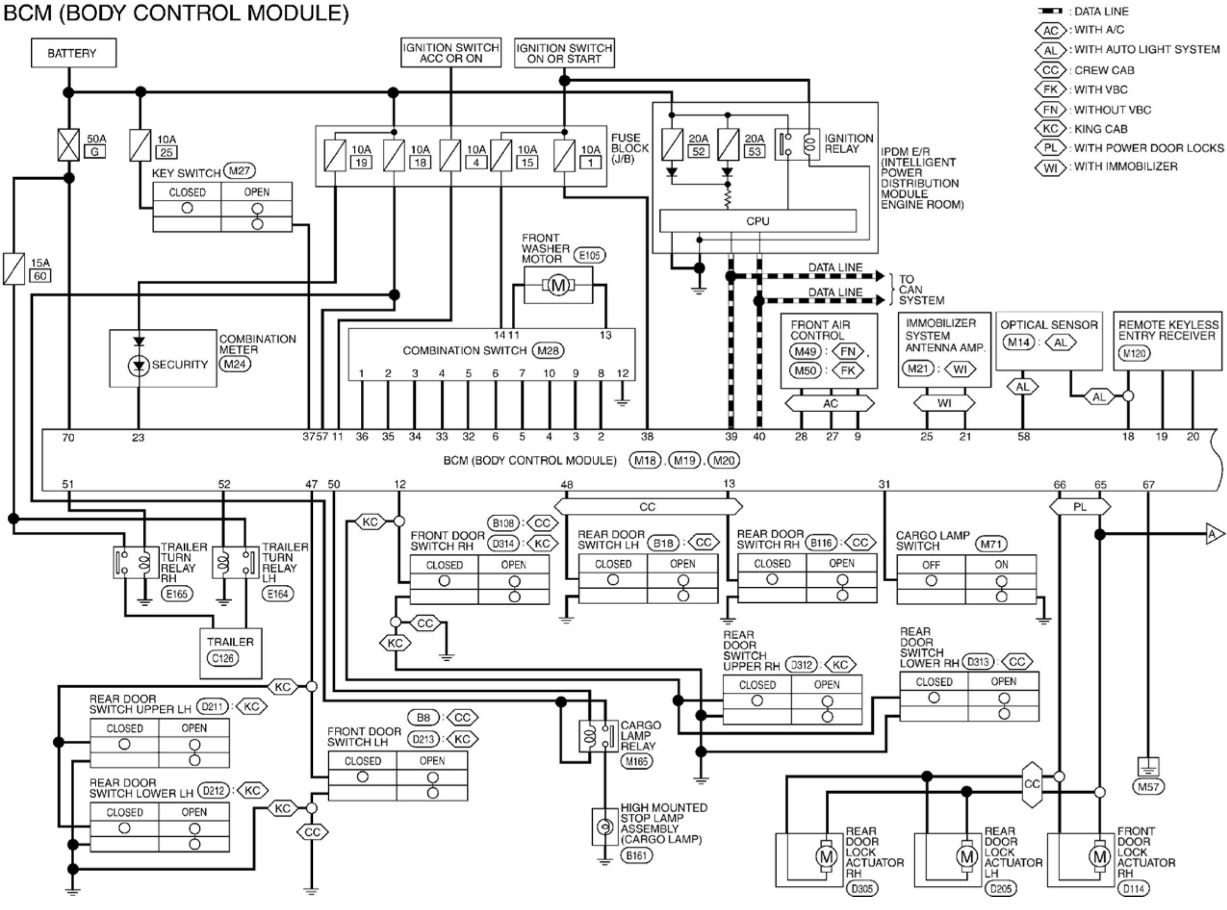
BCM (Body Control Module) (Part 2):






BCM (Body Control Module) Connectors

BCM (Body Control Module) Connectors (Part 1):




BCM (Body Control Module) Connectors (Part 2):