lemon-mirror:
Home >> Suzuki >> 2008 >> XL-7 2WD V6-3.6L >> Repair and Diagnosis >> Body and Frame >> Frame >> Subframe >> Front Subframe >> Service and Repair

Front Subframe: Service and Repair


Frame Replacement

Special Tools
J 39580 Engine Support Table
Removal Procedure





1.Tie the radiator, air conditioning condenser, and fan module assembly to the upper radiator support to keep the assembly with the vehicle when the frame is lowered.

2.Install the engine support fixture. Refer to Engine Support Fixture .

3.Raise and support the vehicle. Refer to Lifting and Jacking the Vehicle .

4.Remove the front wheels. Refer to Tire and Wheel Removal and Installation .

5.Remove the side splash shield-to-frame fasteners.

6.Remove the front air dam-to-frame fasteners.





1.Remove the rear transmission mount-to-frame bolts (3).





1.Remove the front transmission mount-to-frame bolt.





1.Remove the steering gear-to-frame bolts.

2.Using mechanics wire, secure the steering gear to the exhaust.





1.Remove the stabilizer shaft clamp-to-frame bolts.





1.Separate the lower ball joint from the steering knuckle. Refer to Lower Control Arm Replacement .

2.Remove the power steering cooler line retainer clips from the frame.

1.Lower the vehicle until the frame contacts J 39580 .





2.Remove the reinforcement bolts (3).

3.Remove the rear frame to body bolts (2). DISCARD the bolts.

4.Remove the reinforcement (1) from the vehicle.





1.Remove the front frame-to-body bolts. DISCARD the bolts.

2.Carefully raise the vehicle in order to separate the frame from the body.

3.Remove the lower control arms. Refer to Lower Control Arm Replacement .

Installation Procedure

1.Install the lower control arms. Refer to Lower Control Arm Replacement .

2.Carefully lower the vehicle in order to attach the frame to the body.





Important:Do not tighten the fasteners at this time.

3.Loosely install NEW front frame-to-body bolts.





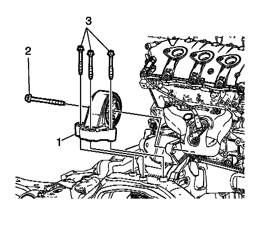
1.Position the reinforcement (1) to the vehicle.

2.Loosely install NEW rear frame to body bolts (2).

3.Loosely install the reinforcement bolts (3).

4.Raise the vehicle away from the J 39580 .

1.Install the power steering cooler line retainer clips to the frame.





2.Connect the ball joint stud to the steering knuckle. Refer to Lower Control Arm Replacement .





1.Remove the mechanics wire and install the steering gear to the frame.

Notice:Refer to Fastener Notice .

TightenTighten the bolts to 110 N �m (81 lb ft).





1.Install the transmission mount-to-frame bolt.

TightenTighten the bolt to 110 N �m (81 lb ft).





1.Install the rear transmission mount-to-frame bolts (3).

TightenTighten the bolts to 50 N �m (37 lb ft).

2.Install the stabilizer shaft clamp.

TightenTighten the bolts to 50 N �m (37 lb ft).





1.Tighten the frame-to-body reinforcement bolts (3).

TightenTighten the bolts (3) to 50 N �m (37 lb ft).





1.Tighten the frame-to-body bolts.

TightenTighten the bolts to 155 N �m (114 lb ft).

2.Install the front air dam fasteners.

3.Install the side splash shield-to-frame fasteners.

4.Install the front wheels. Refer to Tire and Wheel Removal and Installation .

5.Lower the vehicle.

6.Remove the engine support fixture.

7.Untie the radiator, air conditioning condenser, and fan module assembly from the upper radiator support.

8.Align the front suspension. Refer to Wheel Alignment - Steering Wheel Angle and/or Front Toe Adjustment .