lemon-mirror:
Home >> Suzuki >> 2007 >> Aerio L4-2.3L >> Repair and Diagnosis >> Diagrams >> Exploded Views >> Automatic Transmission/Transaxle >> Automatic Transaxle Assembly Components

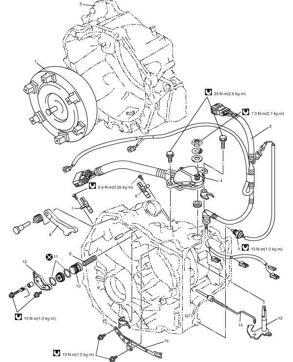
Automatic Transaxle Assembly Components

Automatic Transaxle Assembly Components

Automatic Transaxle Assembly Components:




Automatic Transaxle Assembly Components:




Automatic Transaxle Assembly Components:




Automatic Transaxle Assembly Components:




Automatic Transaxle Assembly Components:




Automatic Transaxle Assembly Components: