lemon-mirror:
Home >> Suzuki >> 2006 >> Verona L6-2.5L >> Repair and Diagnosis >> Powertrain Management >> Computers and Control Systems >> Throttle Position Sensor >> Locations

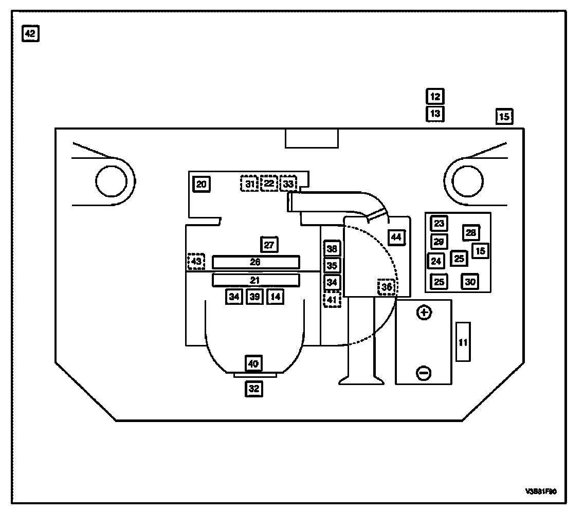
Throttle Position Sensor: Locations

Component Location Part 1:



Component Location Part 2: