lemon-mirror:
Home >> Suzuki >> 2006 >> Verona L6-2.5L >> Repair and Diagnosis >> Diagrams >> Electrical Diagrams >> Powertrain Management >> Computers and Control Systems >> Engine Control Module

Engine Control Module

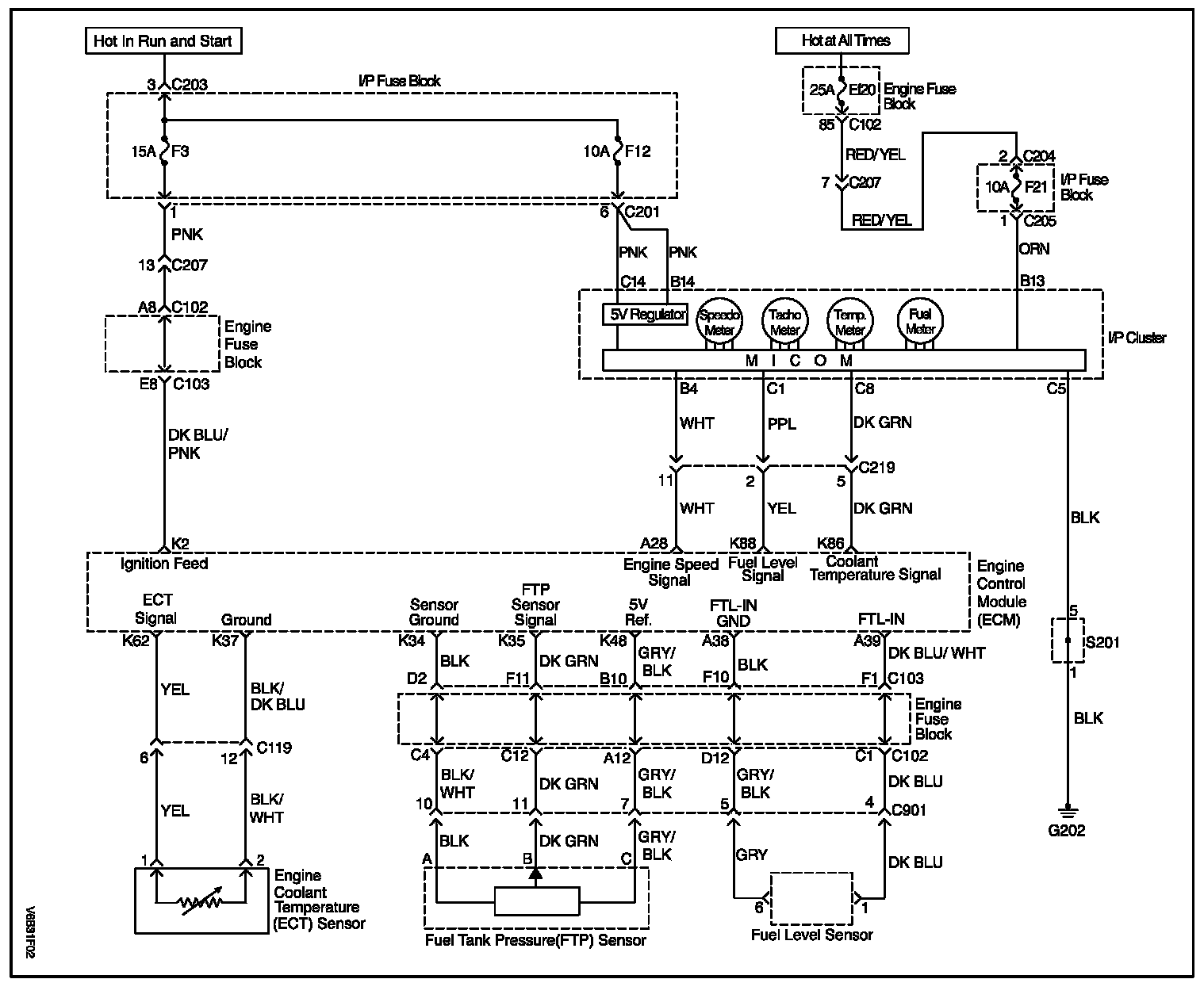
ECM Wiring Diagram Part 1:




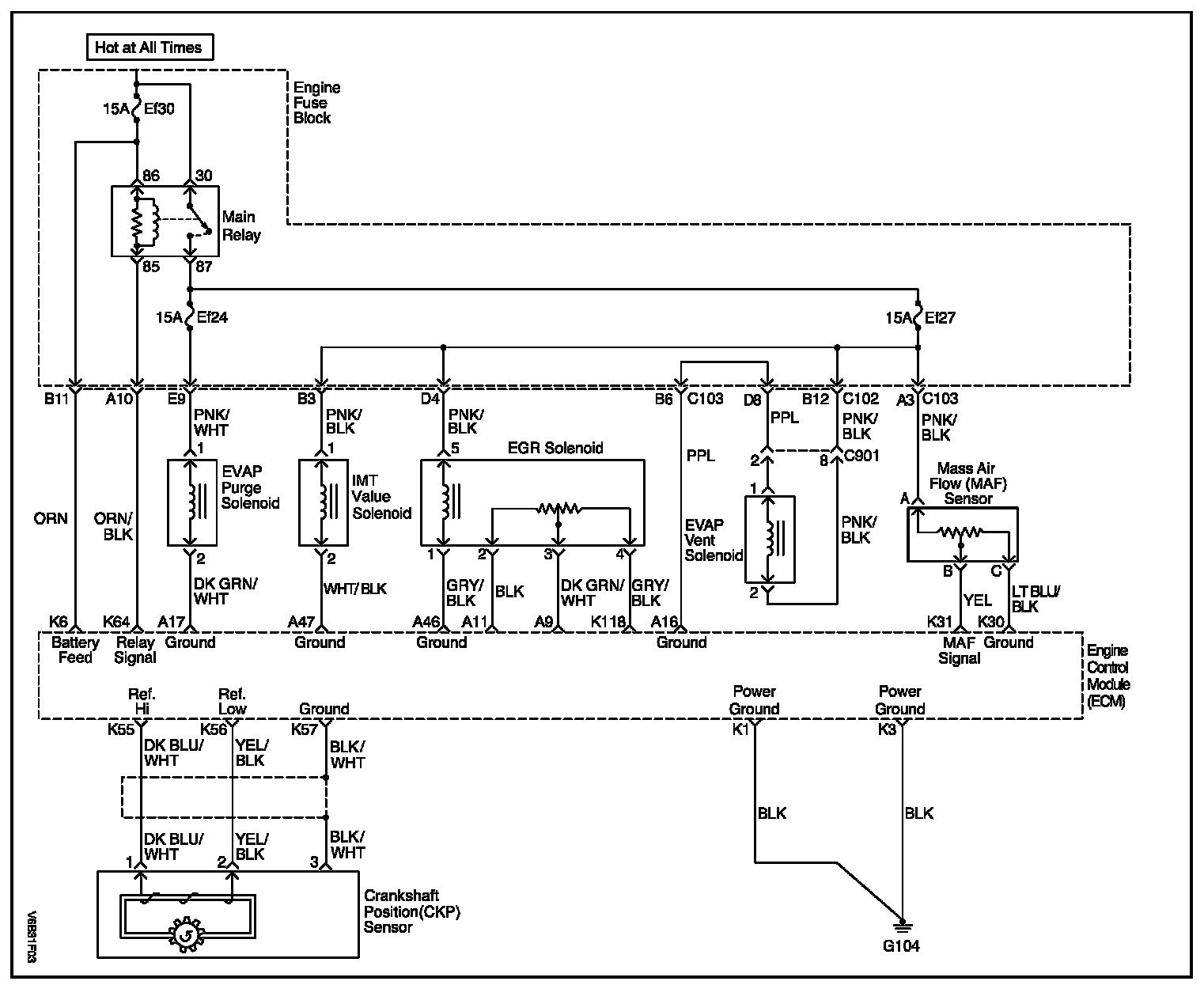
ECM Wiring Diagram Part 2:




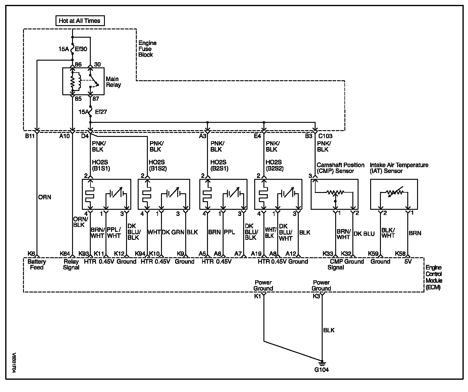
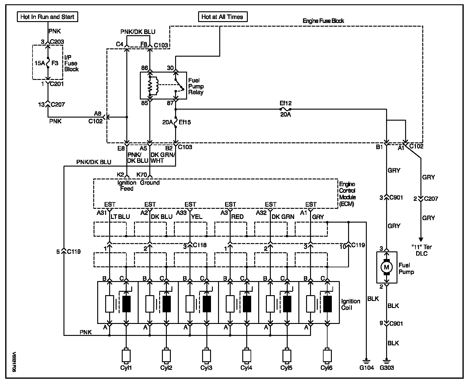
ECM Wiring Diagram Part 3:




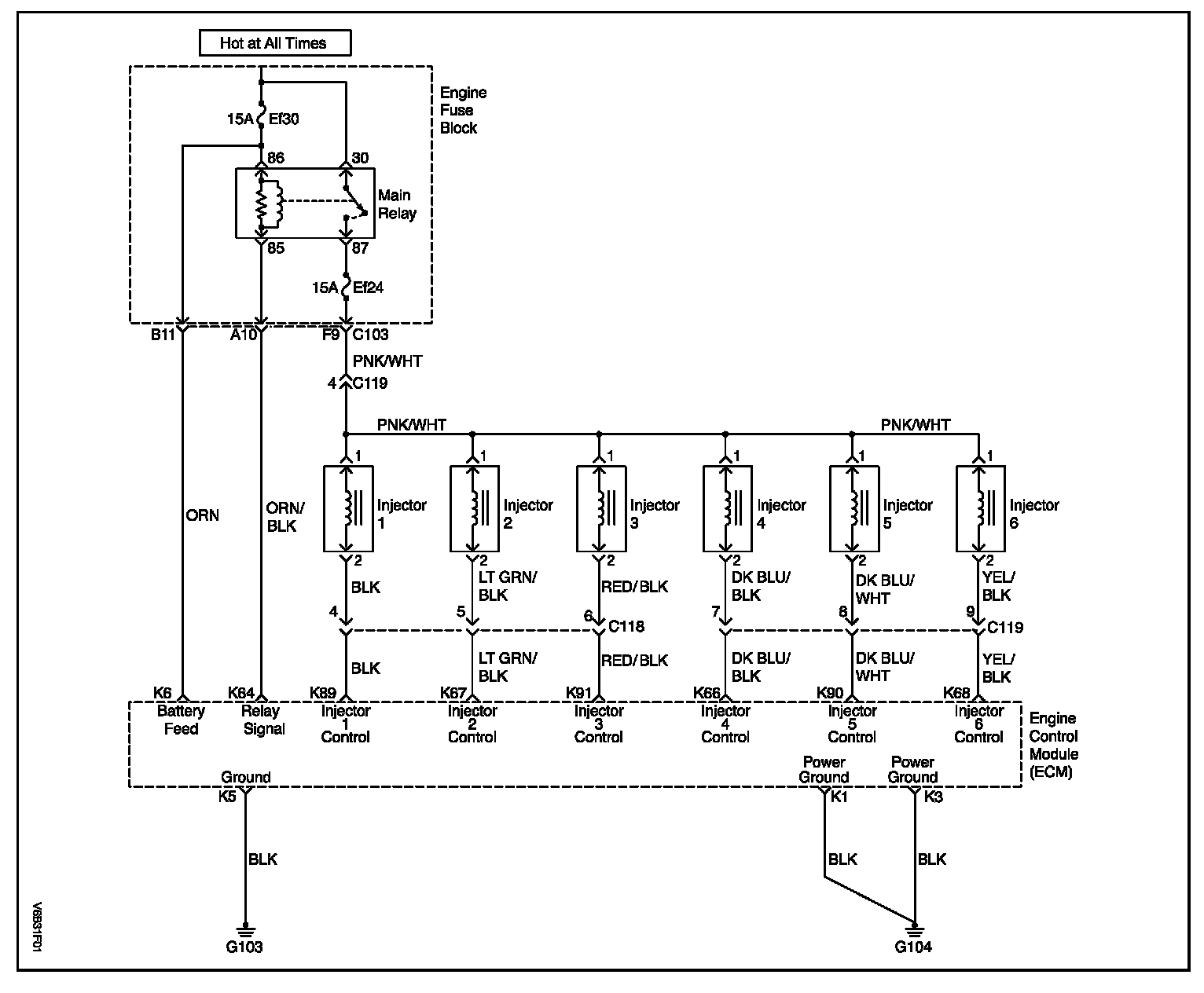
ECM Wiring Diagram Part 4:




ECM Wiring Diagram Part 5:




ECM Wiring Diagram Part 6:




ECM Wiring Diagram Part 7: