lemon-mirror:
Home >> Suzuki >> 2005 >> XL-7 2WD V6-2.7L >> Repair and Diagnosis >> Diagrams >> Electrical Diagrams >> Powertrain Management >> Computers and Control Systems >> Body Control Module

Body Control Module

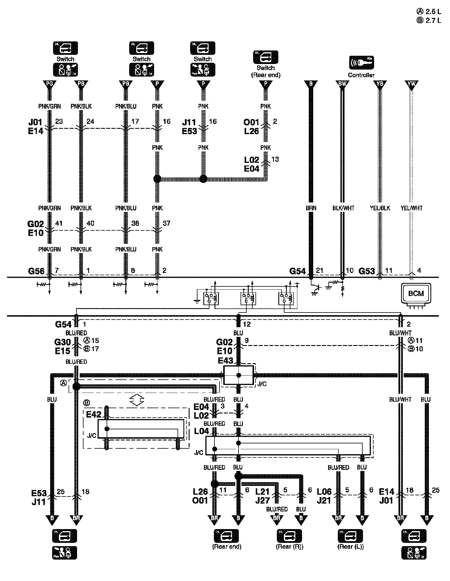
Body Electric Control Circuit Diagram 1:




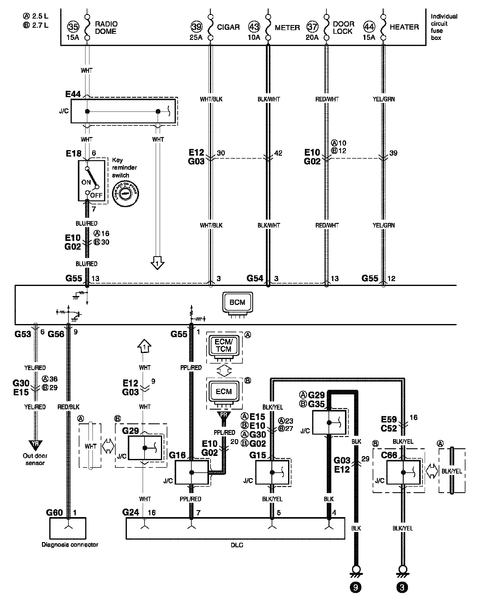
Body Electric Control Circuit Diagram 2:




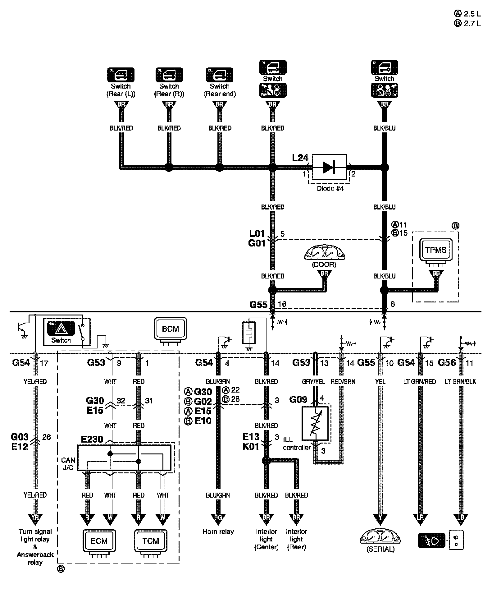
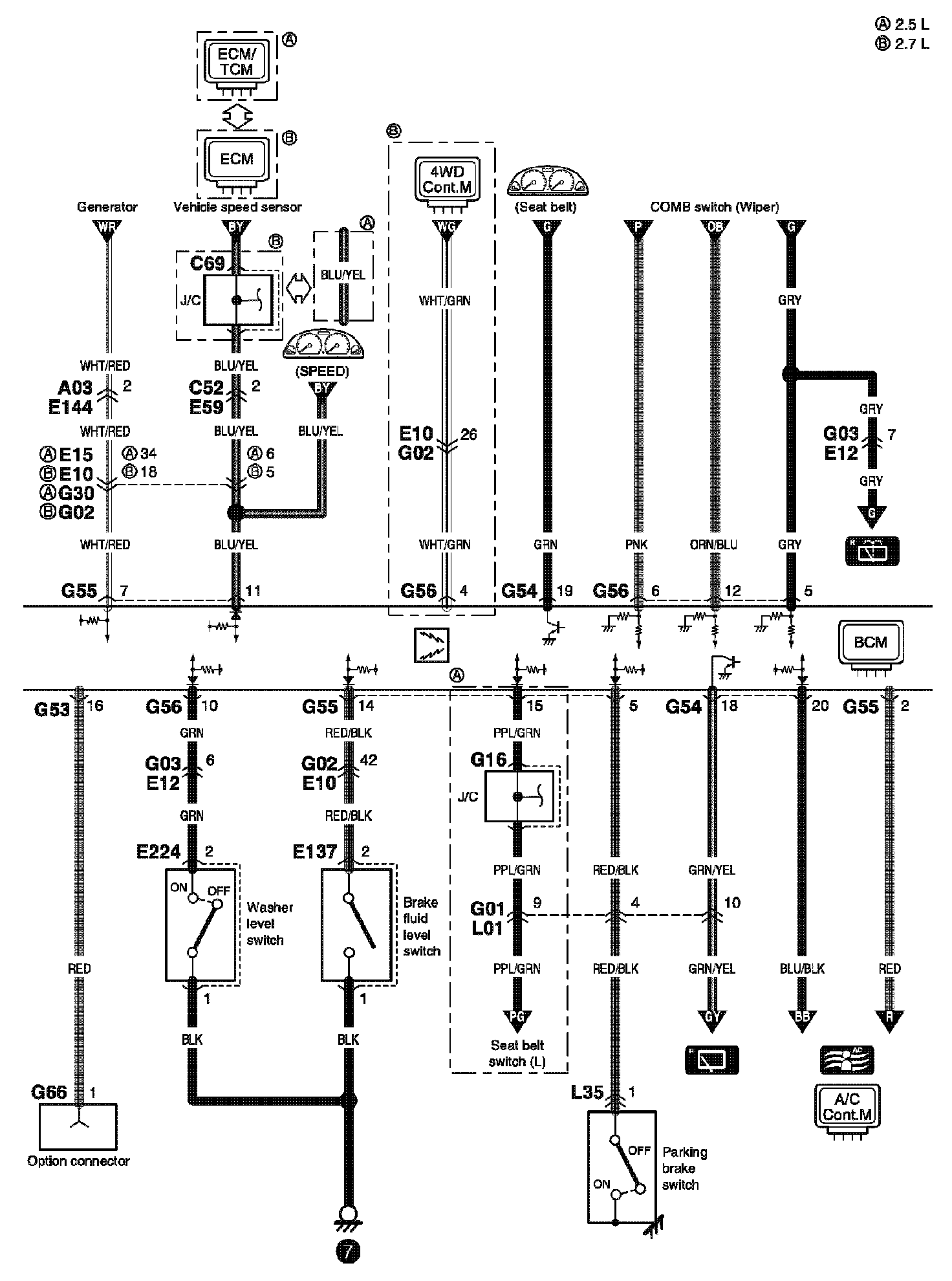
Body Electric Control Circuit Diagram 3:




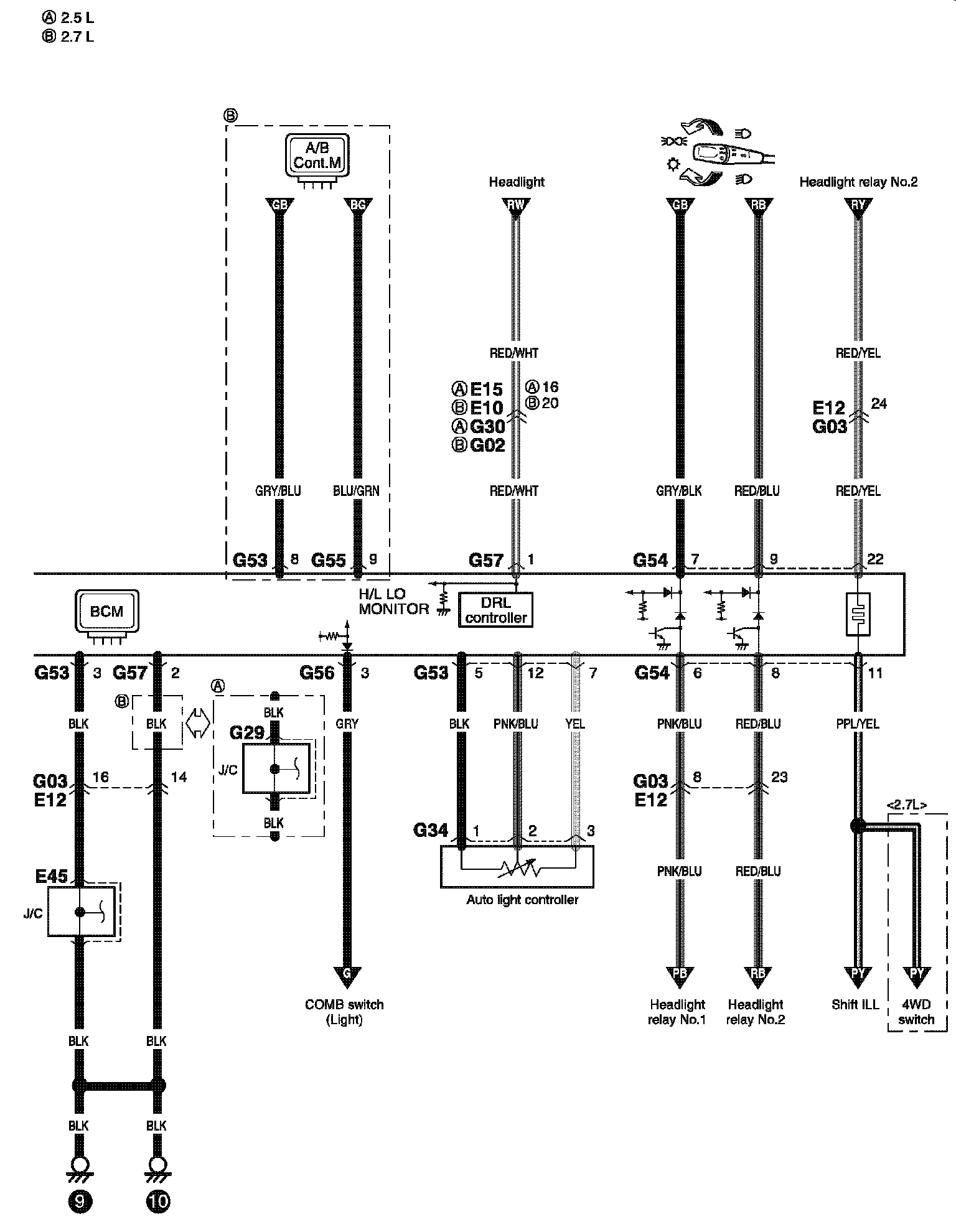
Body Electric Control Circuit Diagram 4:




Body Electric Control Circuit Diagram 5:






Connector/Component Locations: The locations of connectors and components referred to within these diagrams can be found via the connector number at Vehicle Connector Locations. Connector Locations

Ground Locations: The locations of grounds referred to within these diagrams can be found via the ground number at Vehicle Ground Locations. Ground Locations