lemon-mirror:
Home >> Suzuki >> 2004 >> Vitara 2WD V6-2.5L >> Repair and Diagnosis >> Body and Frame >> Body Control Systems >> Body Control Module >> Diagrams

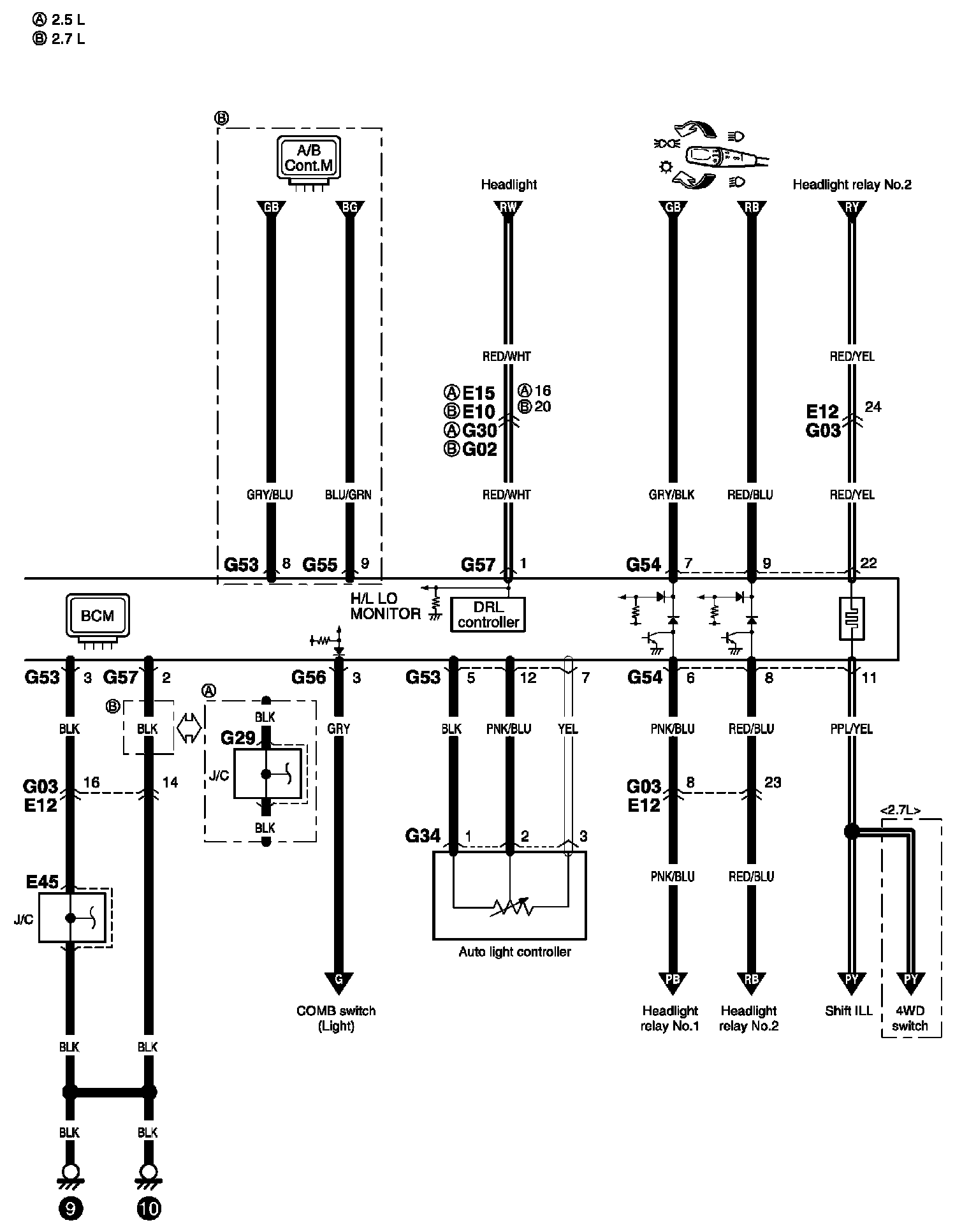
Body Control Module: Diagrams

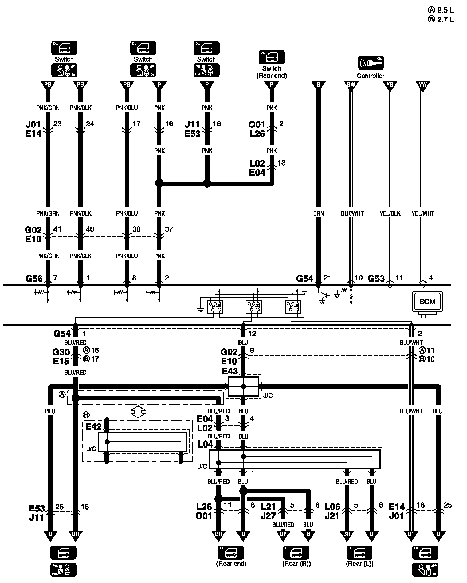
Body Electric Control System Diagram 1:




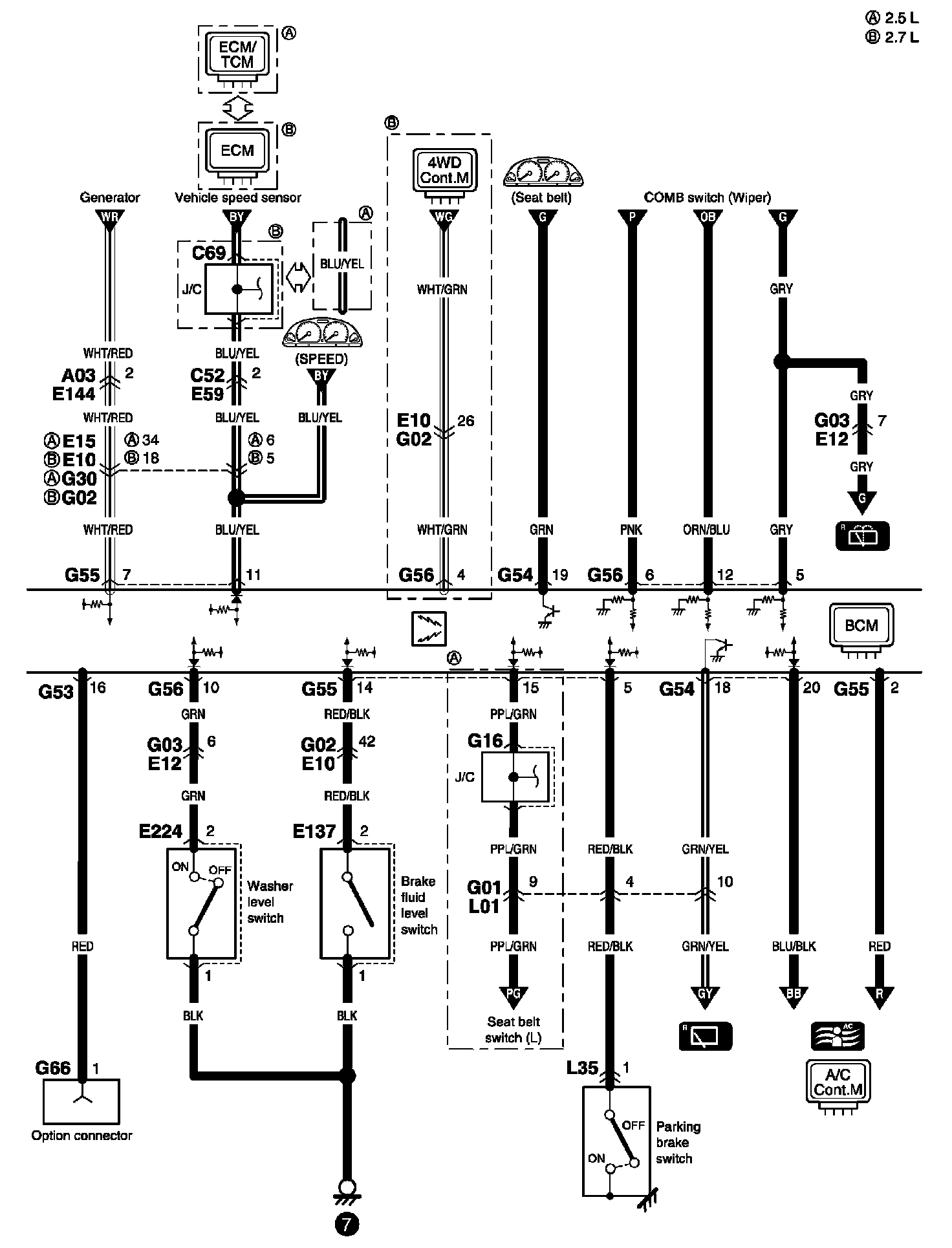
Body Electric Control System Diagram 2:




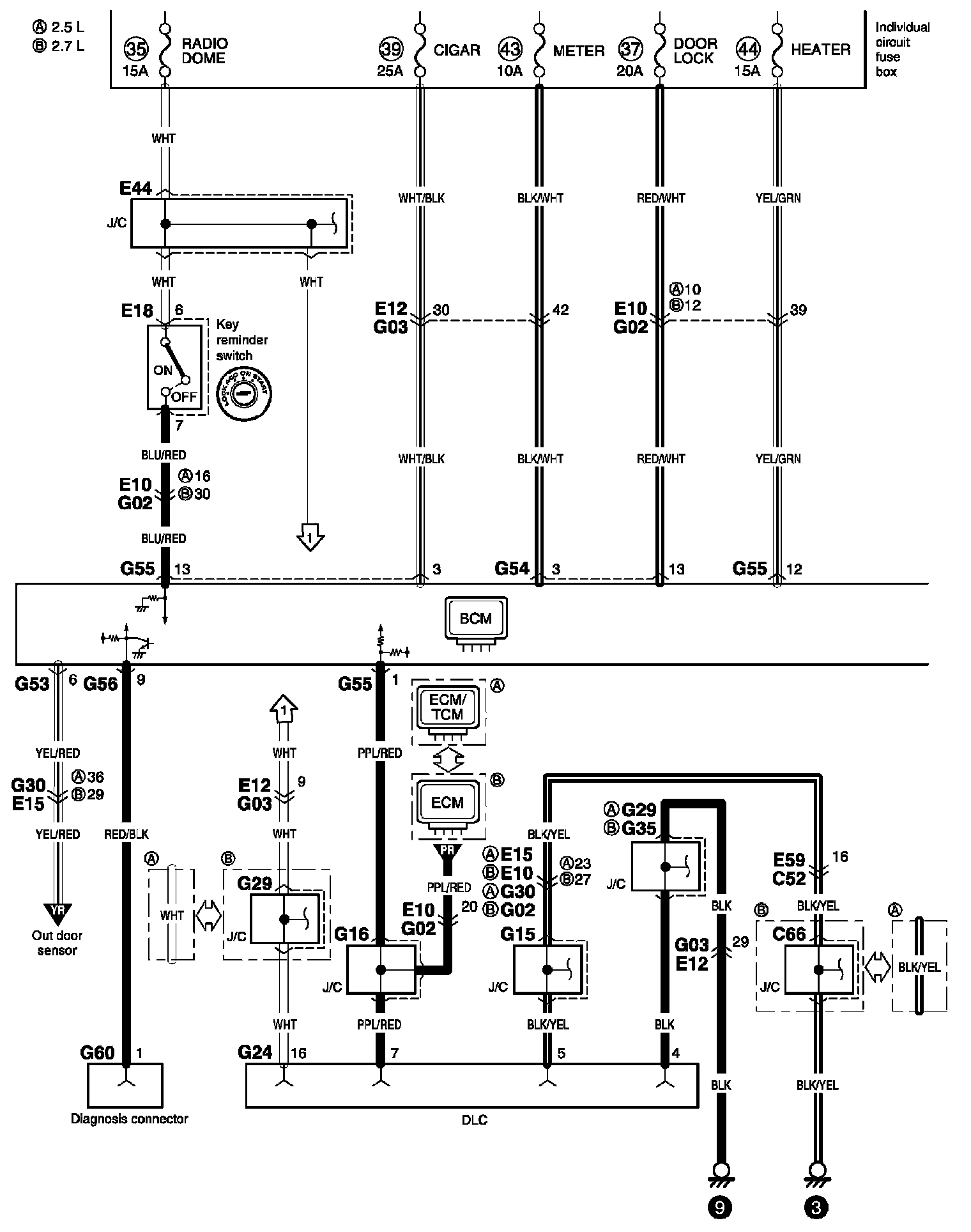
Body Electric Control System Diagram 3:




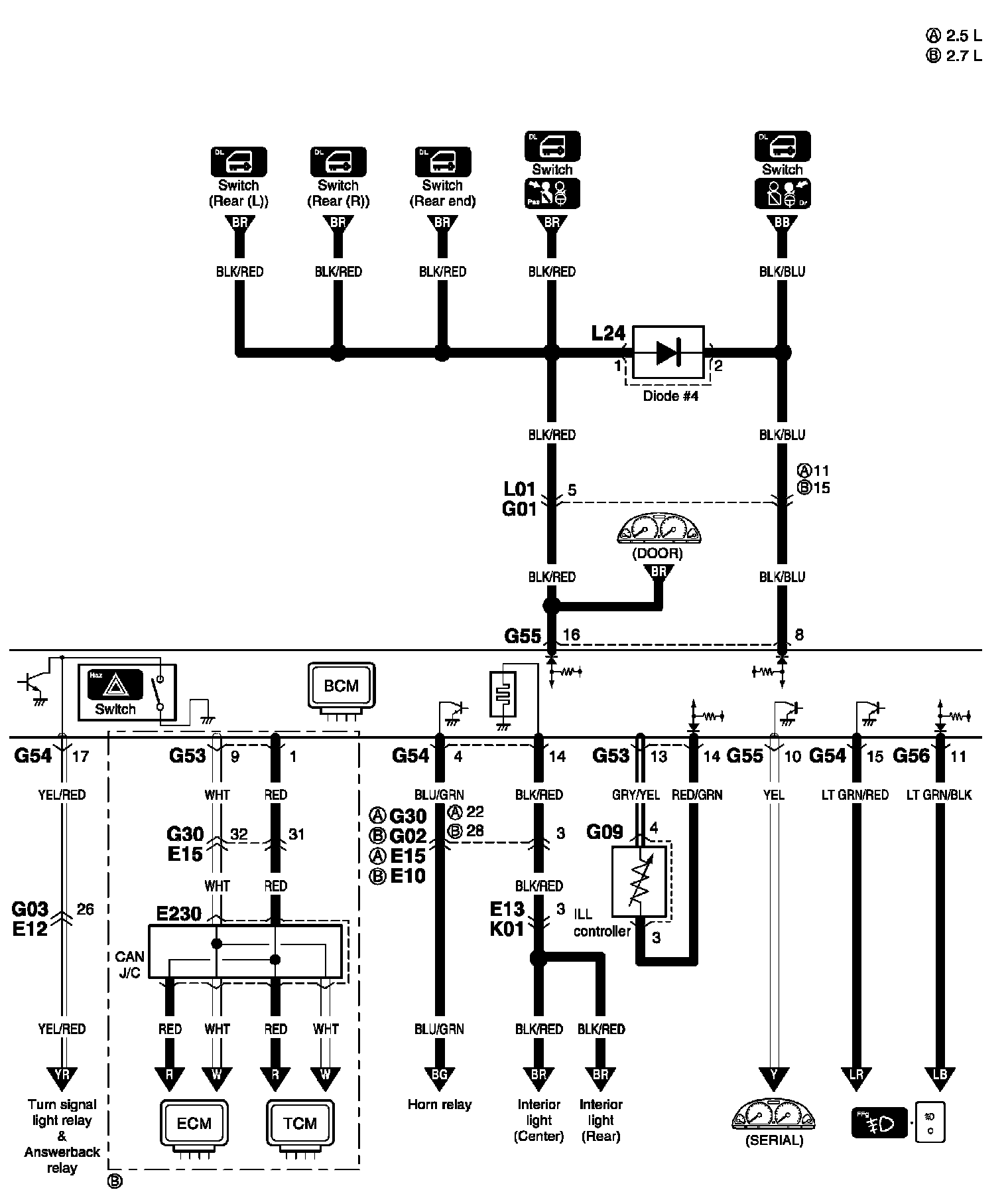
Body Electric Control System Diagram 4:




Body Electric Control System Diagram 5:






Connector/Component Locations: The locations of connectors and components referred to within these diagrams can be found via the connector number at Vehicle Connector Locations. Connector Locations

Ground Locations: The locations of grounds referred to within these diagrams can be found via the ground number at Vehicle Ground Locations. Ground Locations