lemon-mirror:
Home >> Suzuki >> 2004 >> Aerio L4-2.3L >> Repair and Diagnosis >> Powertrain Management >> Computers and Control Systems >> Electric Load Sensor >> Testing and Inspection

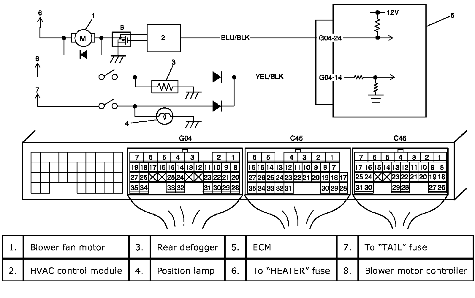
Electric Load Sensor: Testing and Inspection

Electric Load Signal Circuit Check

Wiring Diagram:




Wiring Diagram

Step 1 - 2:




Step 3:




Troubleshooting