lemon-mirror:
Home >> Suzuki >> 2004 >> Aerio L4-2.3L >> Repair and Diagnosis >> Diagrams >> Exploded Views >> Manual Transmission/Transaxle >> Transaxle Case Components

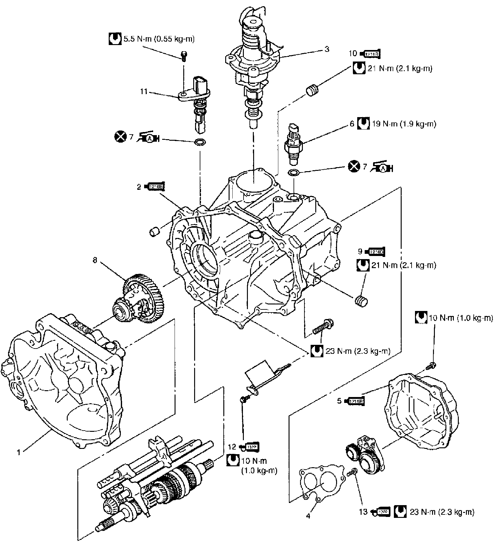
Transaxle Case Components

Part 1 Of 2:




Part 2 Of 2:





Transaxle Case Components