lemon-mirror:
Home >> Suzuki >> 2003 >> Vitara 2WD L4-2.0L >> Repair and Diagnosis >> Heating and Air Conditioning >> Control Module HVAC >> Testing and Inspection

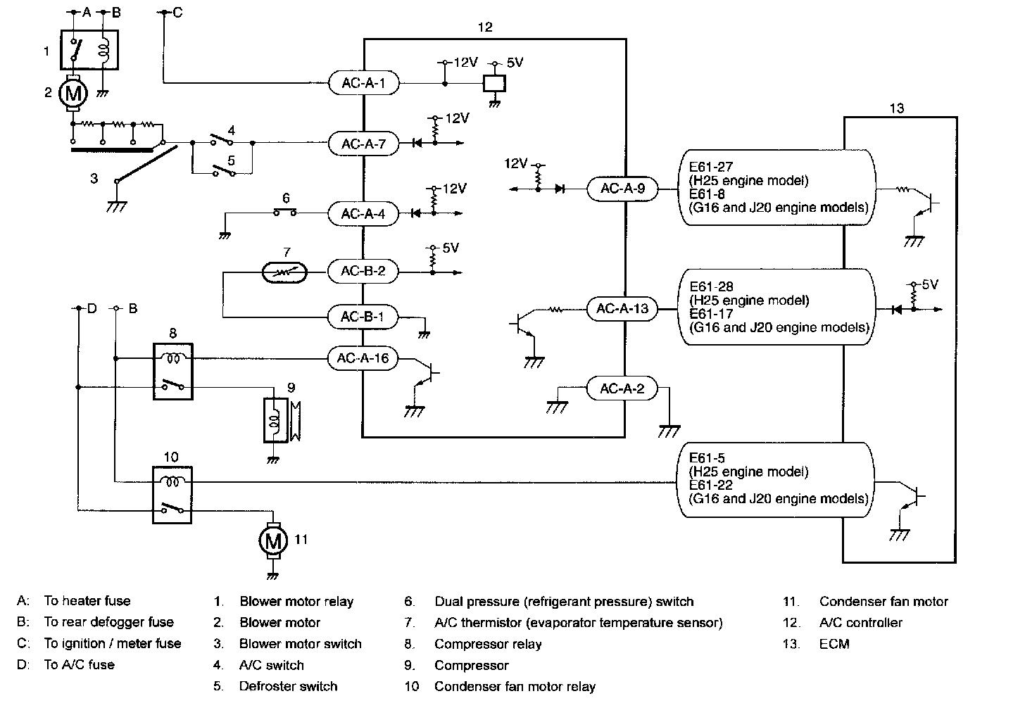
Control Module HVAC: Testing and Inspection

Inspection of A/C Controller and its Circuits




A/C controller (1) and its circuits can be checked at A/C controller wiring couplers by measuring voltage.

CAUTION: A/C controller cannot be checked by itself.
It is strictly prohibited to connect voltmeter or ohmmeter to A/C controller and ECM with couplers disconnected from it.

Voltage Check
1. Remove A/C controller (1) from vehicle referring to "A/C Controller Removal and Installation:".
2. Remove ECM (2) from vehicle.
3. Connect A/C controller couplers to A/C controller (1) and connect ECM couplers to ECM.
4. Check each terminal voltage with couplers connected by referring to "A/C controller voltage values table:".







System Circuit:






Terminal Arrangement Of A/C Controller:






Terminal Arrangement Of ECM (for G16 / J20 Engine Models):






Terminal Arrangement Of ECM (for H25 Engine Model):






A/C Controller Voltage Values Table Part 1:




A/C Controller Voltage Values Table Part 2: