lemon-mirror:
Home >> Suzuki >> 2002 >> XL-7 Plus 4WD V6-2.7L >> Repair and Diagnosis >> Diagrams >> Exploded Views >> Differential Assembly >> Front Differential

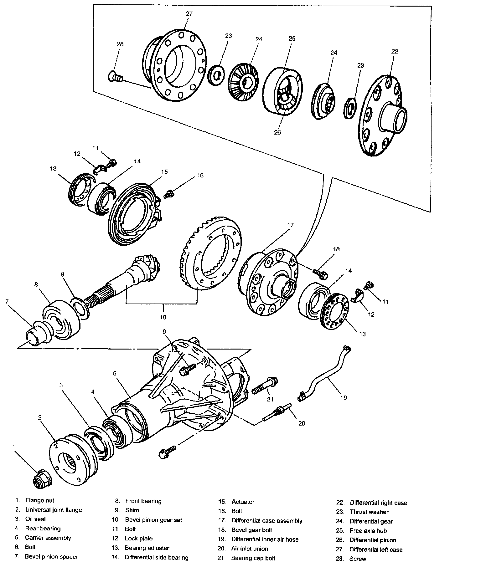
Front Differential