lemon-mirror:
Home >> Suzuki >> 2002 >> XL-7 Plus 2WD V6-2.7L >> Repair and Diagnosis >> Diagrams >> Exploded Views >> Power Locks

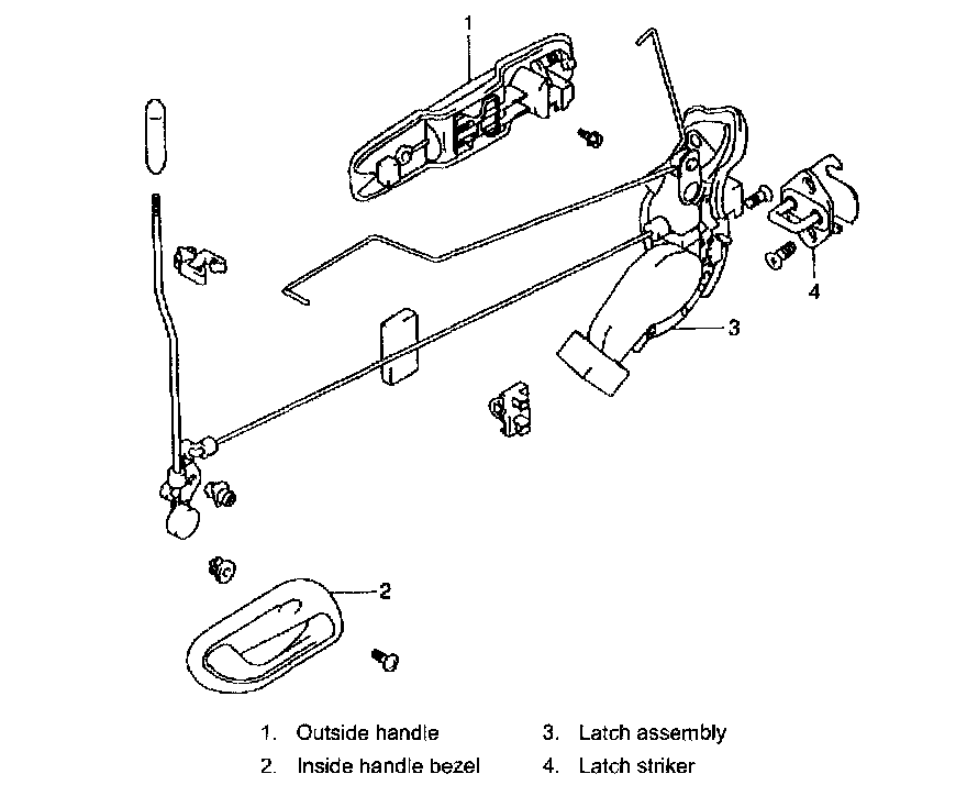
Power Locks

Power Door Lock System Locator:



Front Door Lock Assembly Components:



Rear Door Lock Assembly Components: