lemon-mirror:
Home >> Suzuki >> 2002 >> Aerio L4-2.0L >> Repair and Diagnosis >> Diagrams >> Exploded Views >> Suspension >> Front Cross-Member

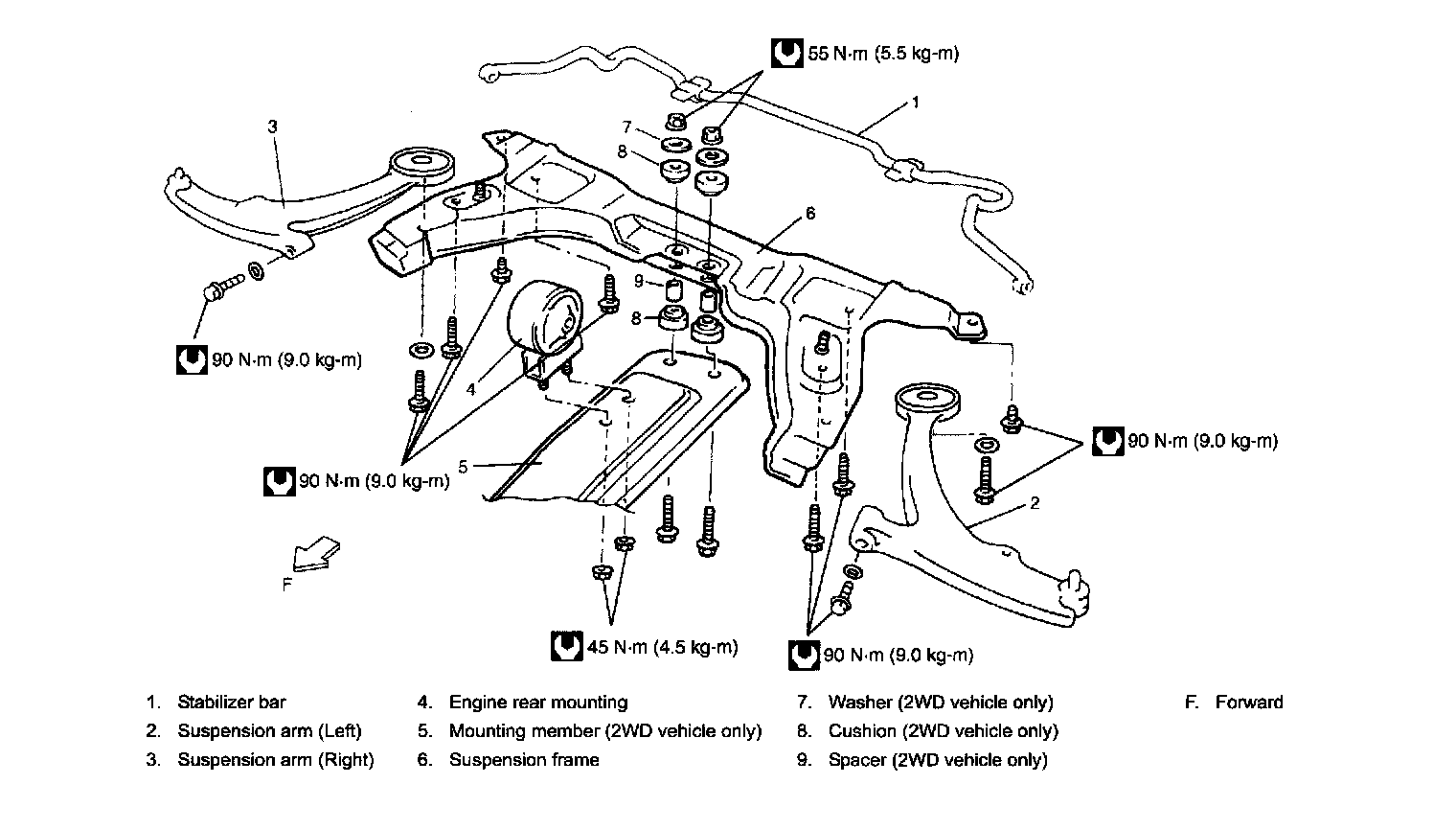
Front Cross-Member