lemon-mirror:
Home >> Suzuki >> 2002 >> Aerio L4-2.0L >> Repair and Diagnosis >> Diagrams >> Exploded Views >> Cooling System

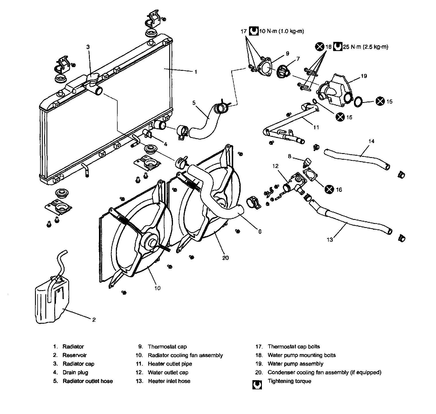
Cooling System

Cooling System Components W/ Related Components





Part 1 of 2





Part 2 of 2