lemon-mirror:
Home >> Suzuki >> 2001 >> XL-7 Plus 2WD V6-2.7L >> Repair and Diagnosis >> Heating and Air Conditioning >> Control Module HVAC >> Testing and Inspection

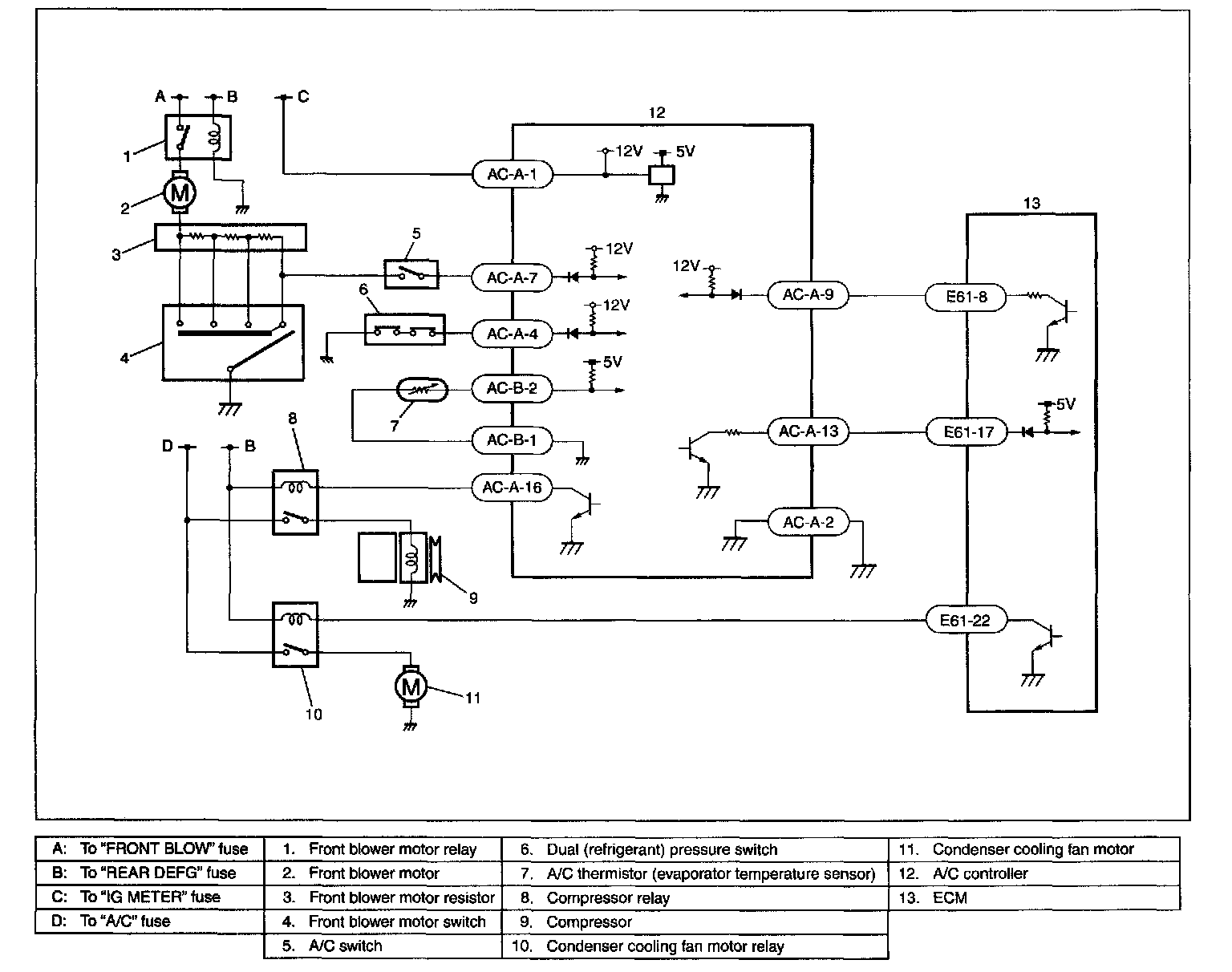
Control Module HVAC: Testing and Inspection

INSPECTION OF A/C CONTROLLER AND ITS CIRCUITS

CAUTION: A/C controller and ECM cannot be checked by itself. It is strictly prohibited to connect voltmeter or ohmmeter to A/C controller and ECM with couplers disconnected from it.

A/C Controller:




A/C Controller (1) and its circuits can be checked at A/C controller wiring couplers by measuring voltage.

Fig.A, Fig. B, Fig. C:




VOLTAGE CHECK
1. Remove A/C controller (1) from vehicle referring to "A/C CONTROLLER".
2. Remove ECM (2) from vehicle.
3. Connect A/C controller couplers to A/C controller and connect ECM couplers to ECM.
4. Check each terminal voltage with couplers connected by referring to "A/C CONTROLLER VOLTAGE VALUES TABLE".

NOTE: For "Fig. A", "Fig. B", "Fig. C" in the figure, refer to "A/C CONTROLLER VOLTAGE VALUES TABLE".

System Circuit:





Terminal Arrangement Of A/C Controller:





Terminal Arrangement Of ECM:





A/C Controller Voltage Values Table (Part 1):





A/C Controller Voltage Values Table (Part 2):