lemon-mirror:
Home >> Suzuki >> 1997 >> Esteem GL L4-1.6L >> Repair and Diagnosis >> Diagrams >> Exploded Views >> Brake Caliper

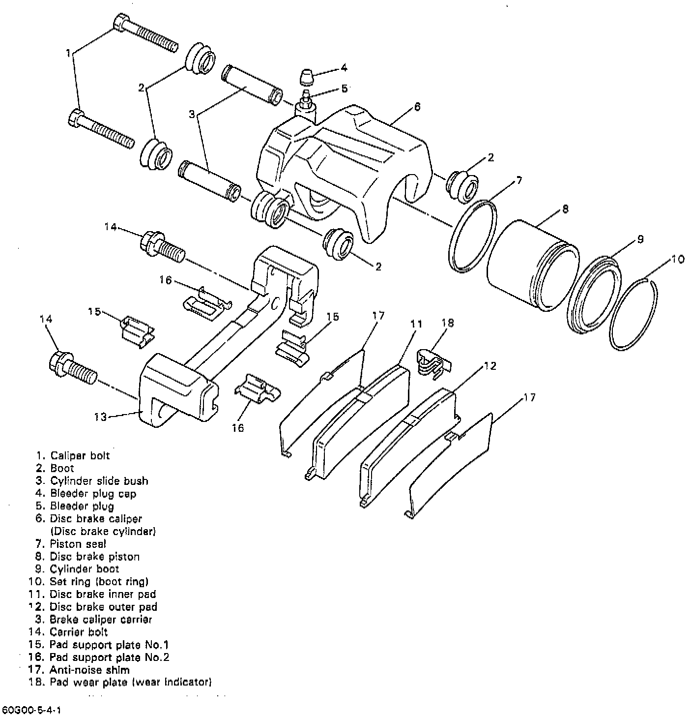
Brake Caliper