lemon-mirror:
Home >> Suzuki >> 1997 >> Esteem GL L4-1.6L >> Repair and Diagnosis >> Diagrams >> Electrical Diagrams >> Powertrain Management >> Computers and Control Systems >> Engine Control Module

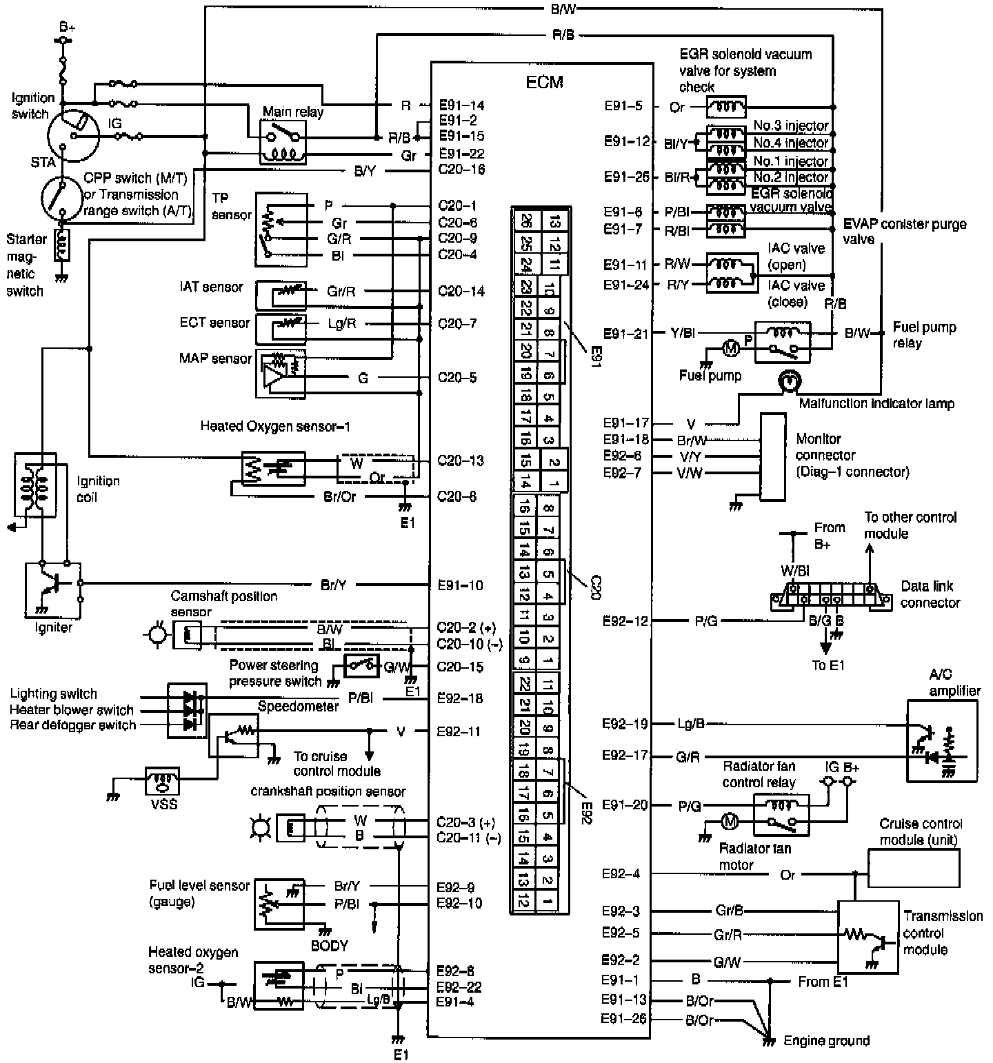
Engine Control Module





SYSTEM ELECTRICAL DIAGRAM





TERMINAL AND WIRE COLOR IDENTIFICATION