lemon-mirror:
Home >> Subaru >> 2013 >> Tribeca F6-3.6L DOHC >> Repair and Diagnosis >> Diagrams >> Exploded Views >> Steering Column

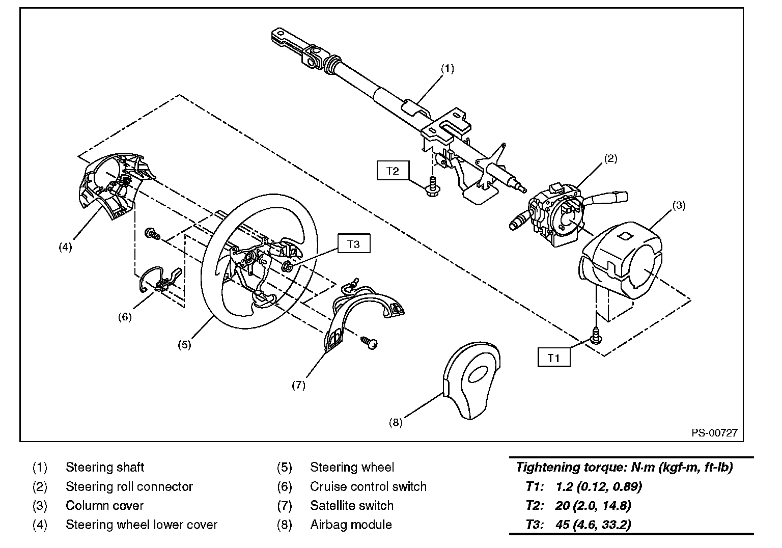
Steering Column

STEERING WHEEL AND COLUMN