lemon-mirror:
Home >> Subaru >> 2013 >> Tribeca F6-3.6L DOHC >> Repair and Diagnosis >> Diagrams >> Exploded Views >> Engine >> Engine Lubrication

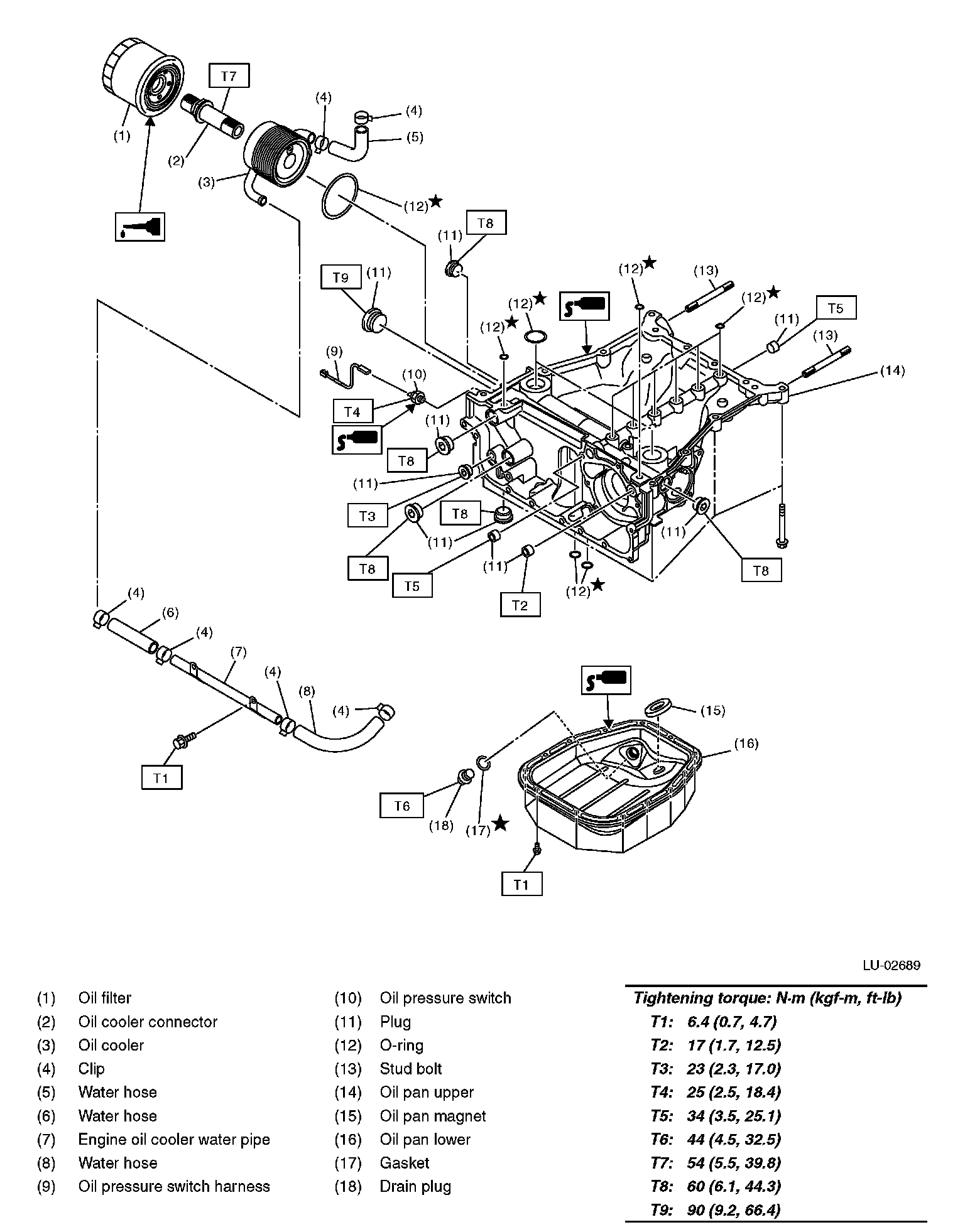
Engine Lubrication

COMPONENT

OIL PAN UPPER, OIL COOLER, OIL FILTER





OIL PUMP