lemon-mirror:
Home >> Subaru >> 2013 >> Tribeca F6-3.6L DOHC >> Repair and Diagnosis >> Diagrams >> Exploded Views >> Electronic Brake Control Module

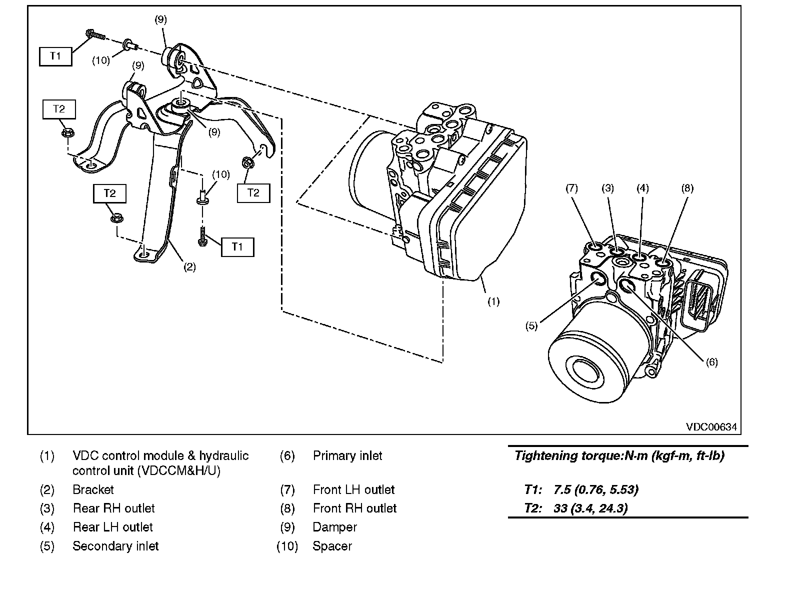
Electronic Brake Control Module

VDC CONTROL MODULE AND HYDRAULIC CONTROL UNIT (VDCCM&H/U)