lemon-mirror:
Home >> Subaru >> 2013 >> Outback F6-3.6L DOHC >> Repair and Diagnosis >> Diagrams >> Exploded Views >> Engine >> Cylinder Block Assembly >> System Diagram

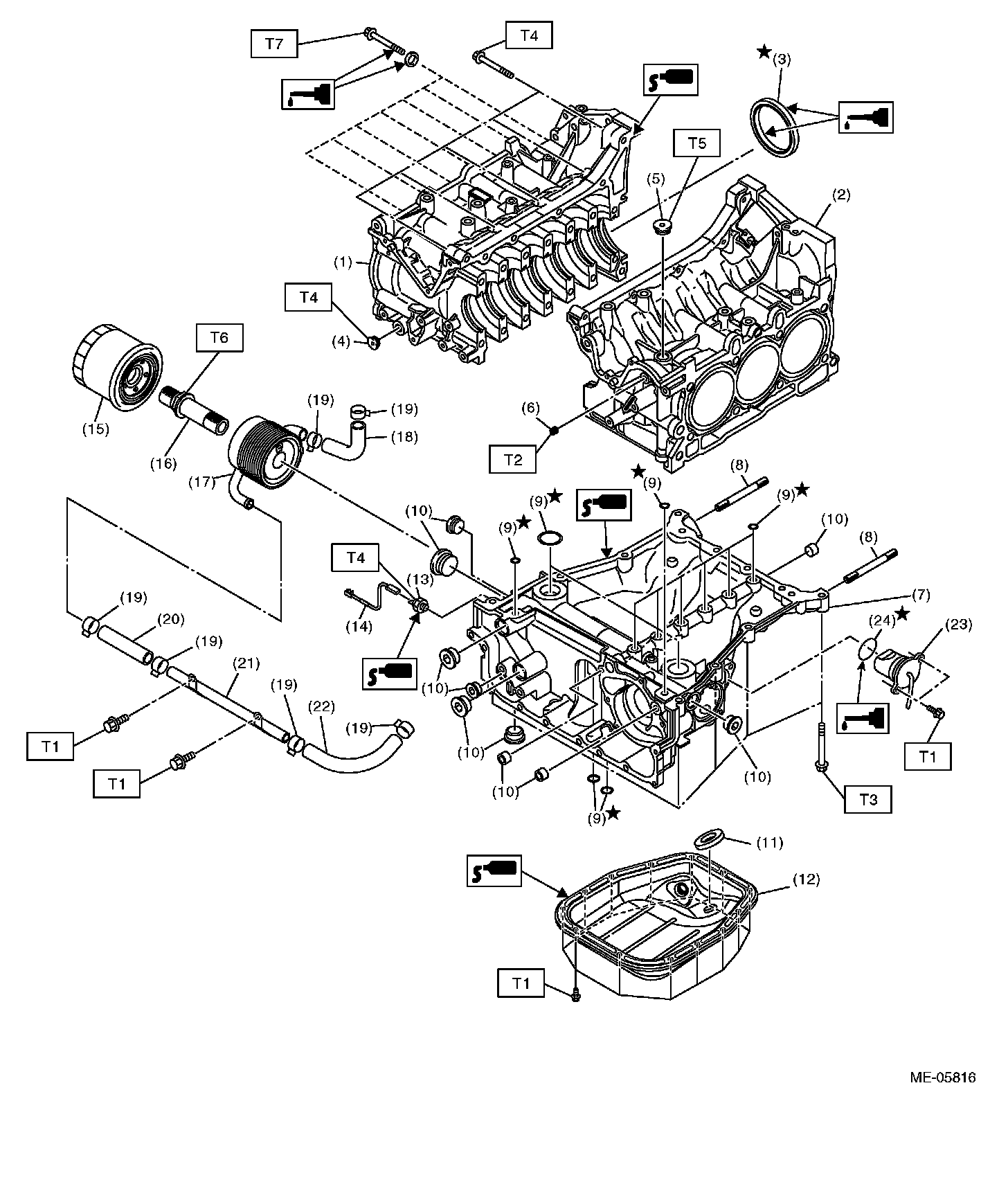
System Diagram

COMPONENT

CYLINDER BLOCK