lemon-mirror:
Home >> Subaru >> 2013 >> Outback F4-2.5L DOHC >> Repair and Diagnosis >> Diagrams >> Exploded Views >> Cylinder Head Assembly >> Rocker Arm Assembly

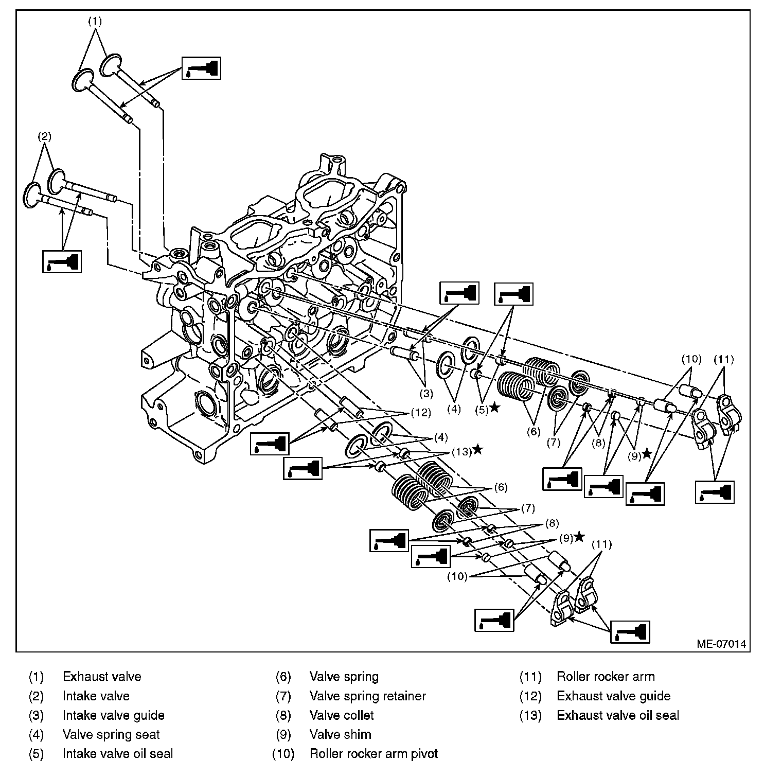
Rocker Arm Assembly

COMPONENT

VALVE ASSY