lemon-mirror:
Home >> Subaru >> 2013 >> Outback F4-2.5L DOHC >> Repair and Diagnosis >> Diagrams >> Exploded Views >> Cylinder Block Assembly >> System Diagram

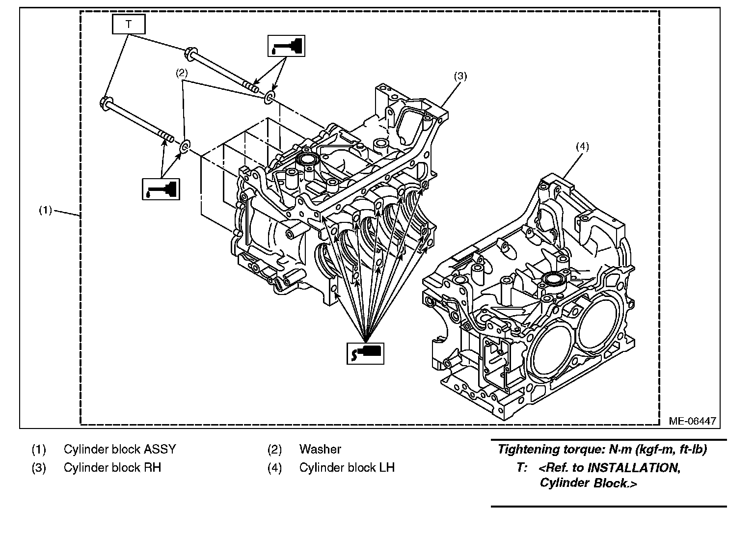
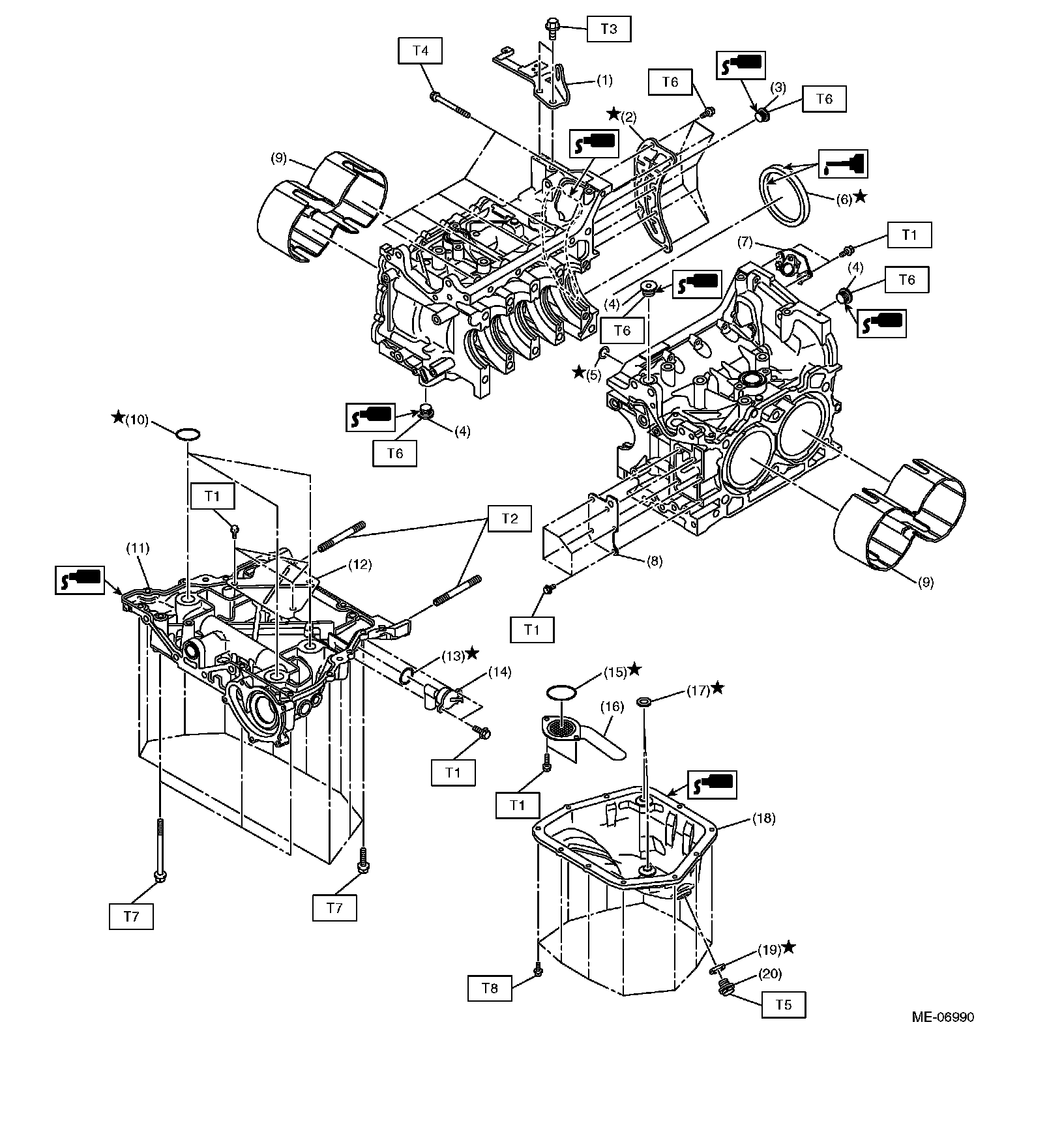
System Diagram

COMPONENT

CYLINDER BLOCK 1








CYLINDER BLOCK 2