lemon-mirror:
Home >> Subaru >> 2013 >> Outback F4-2.5L DOHC >> Repair and Diagnosis >> Diagrams >> Exploded Views >> Continuously Variable Transmission/Transaxle, CVT >> Transmission Mounting

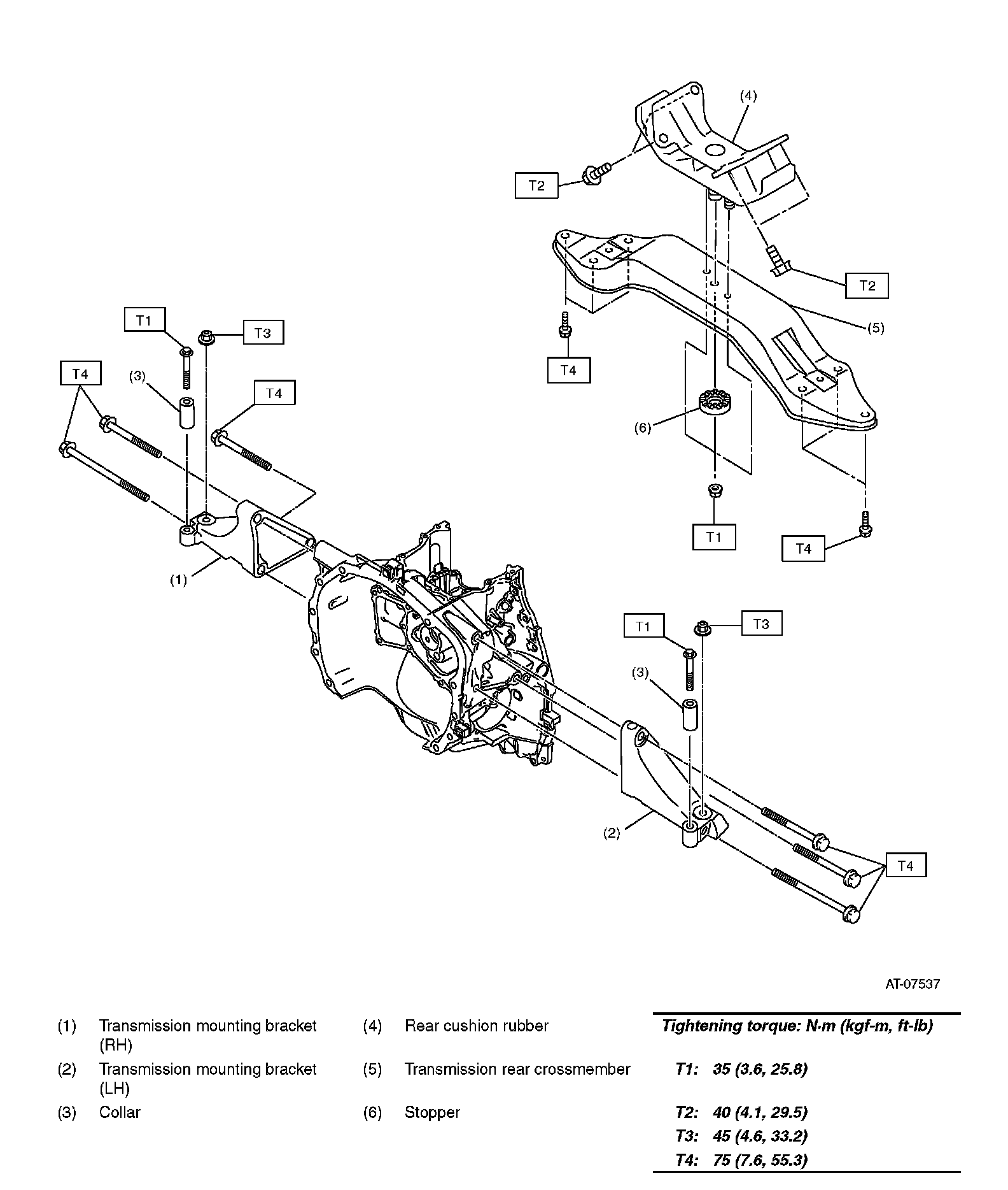
Transmission Mounting

TRANSMISSION MOUNTING