lemon-mirror:
Home >> Subaru >> 2013 >> Outback F4-2.5L DOHC >> Repair and Diagnosis >> Diagrams >> Electrical Diagrams >> Keyless Entry >> Keyless Entry System

Keyless Entry System

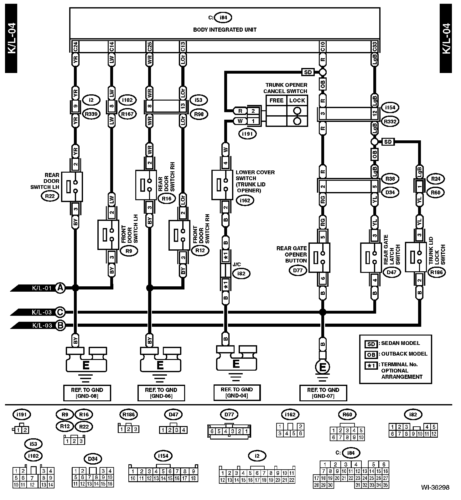
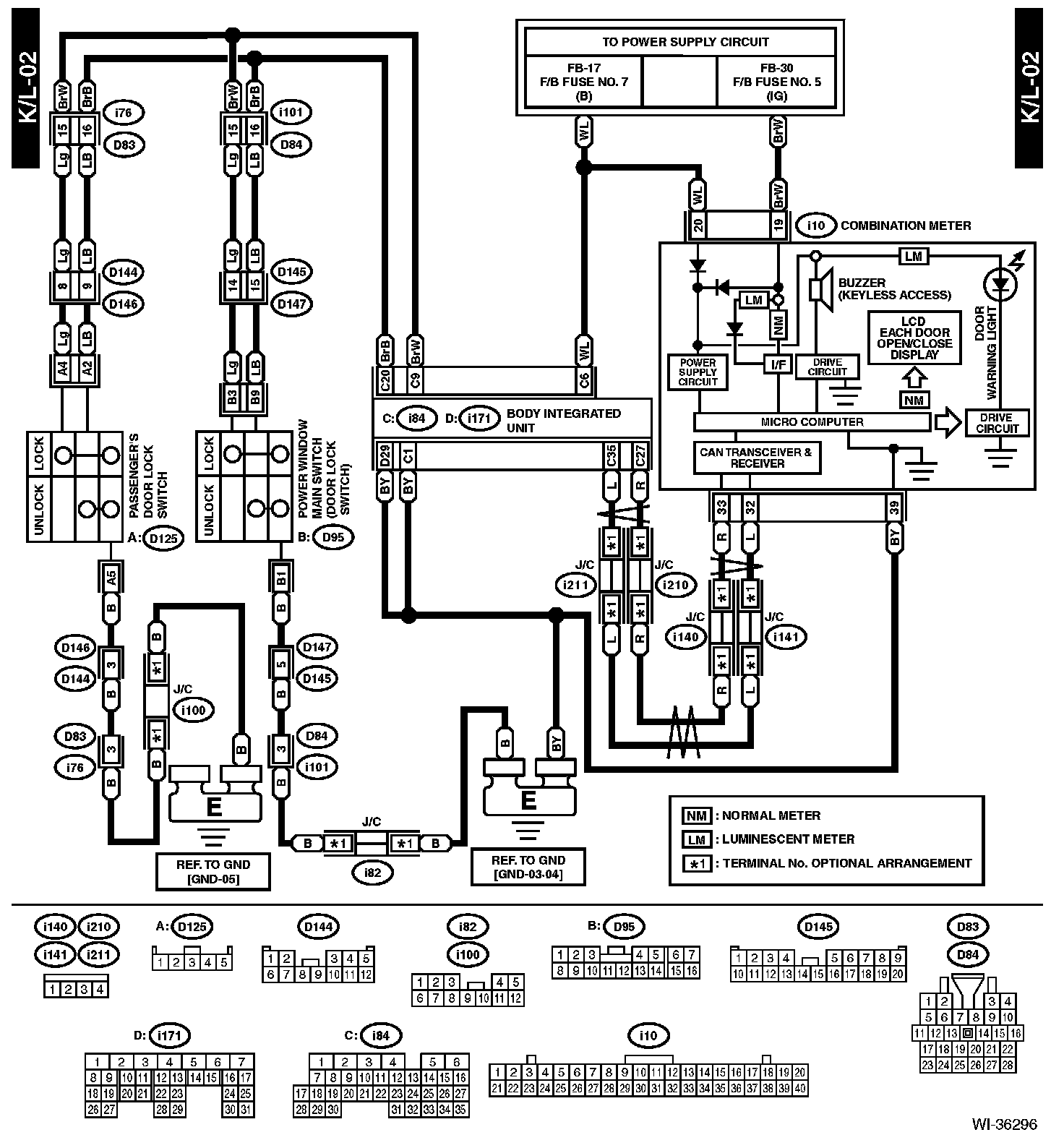
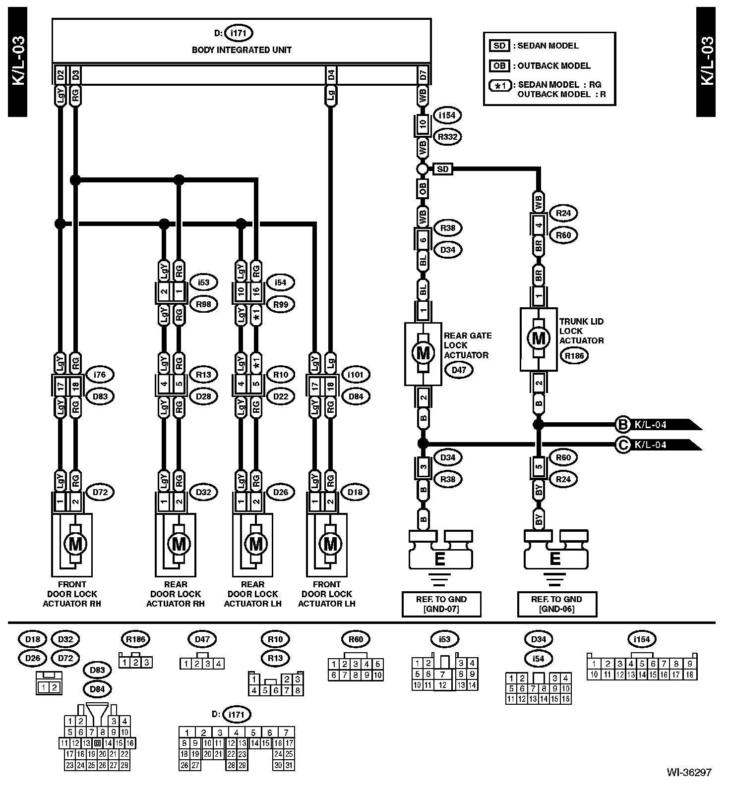
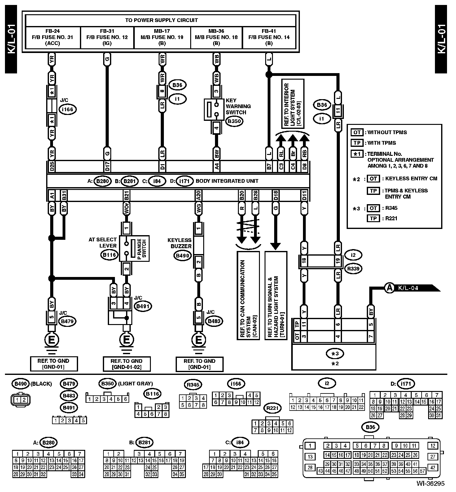
KEYLESS ENTRY SYSTEM

WIRING DIAGRAM
















Connector and Ground Locations: The locations of the Connectors or Grounds shown within these diagrams can be found via the connector or ground number at Vehicle Locations. Locations