lemon-mirror:
Home >> Subaru >> 2013 >> Impreza F4-2.0L DOHC >> Repair and Diagnosis >> Diagrams >> Exploded Views >> Timing Chain

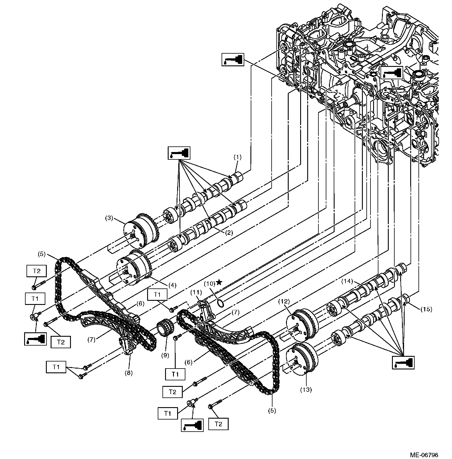
Timing Chain

TIMING CHAIN