lemon-mirror:
Home >> Subaru >> 2013 >> Impreza F4-2.0L DOHC >> Repair and Diagnosis >> Diagrams >> Exploded Views >> Radiator

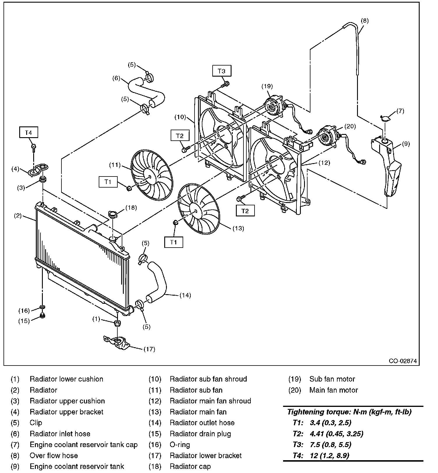
Radiator

COMPONENT

RADIATOR & RADIATOR FAN