lemon-mirror:
Home >> Subaru >> 2013 >> Forester F4-2.5L DOHC >> Repair and Diagnosis >> Diagrams >> Exploded Views >> Radiator

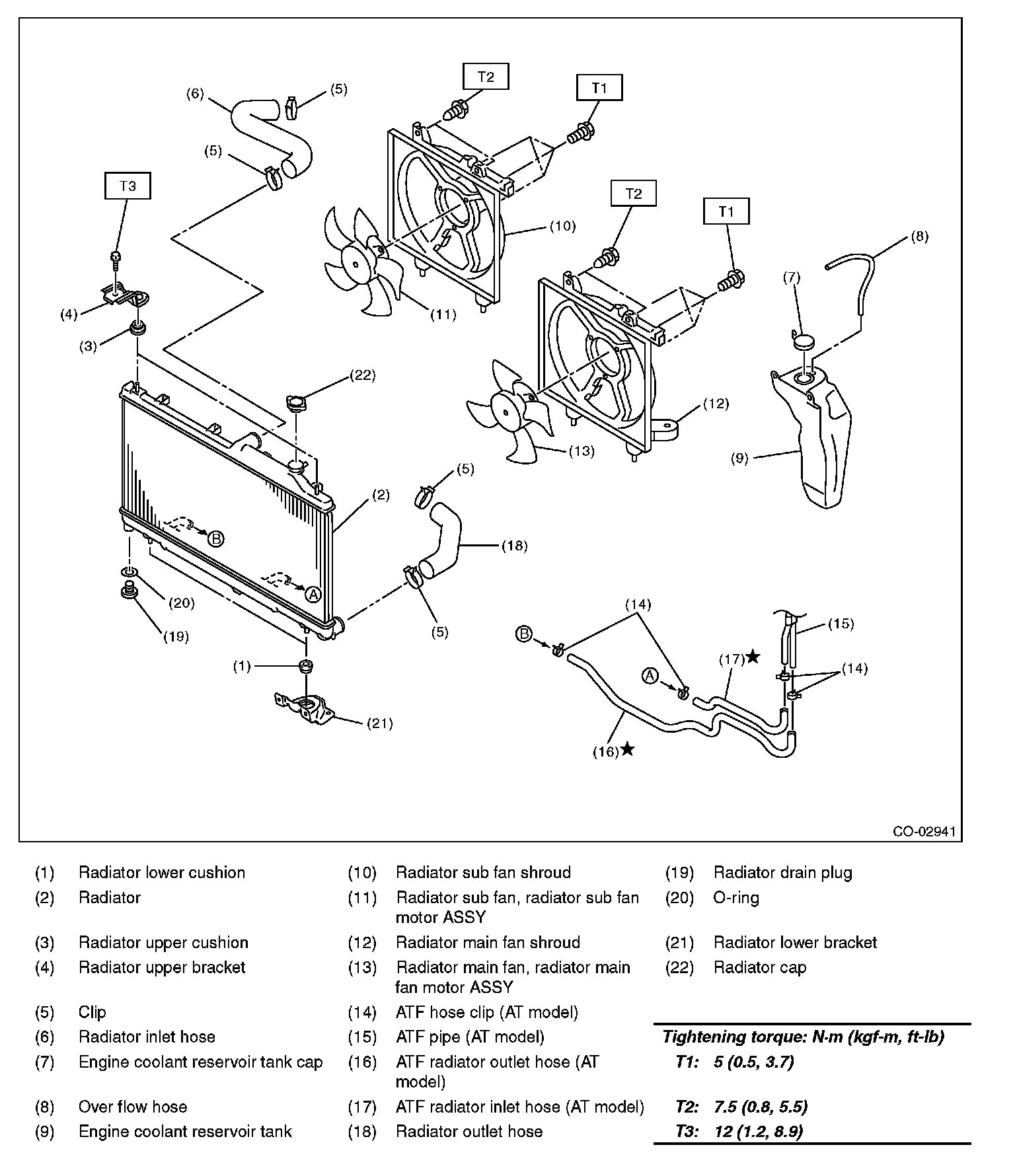
Radiator

RADIATOR & RADIATOR FAN